And you're sure it's full of coolant? Only check it in the morning when it's cold. But the coolant temp sensor can only read coolant, it can't read air temperatures, so if its low on coolant to the point where the sensor is not actually in liquid the ECM won't read it correctly. And also consider that there are two coolant sensors, you mentioned replacing one of them, but you should check the sensor with the Yellow and Black wire, the second one over from the left, since you can't read any live data with a scan tool you'll need to unplug it and make sure it has a 5volt reference which you can only check with it unplugged, once you plug it back in that voltage will be pulled down by the sensors resistance. (diagrams 1,2)
***Also do you see a check engine light at just Key On? It should come on at least for a few seconds. If you don't see a check engine light at any time with just the key On, it might be burned out or the cluster is not displaying it for some reason.
If the vehicle is stalling out when putting a load on it, such as putting it into Drive and it's limited on even how far you can go, I think there's more going on here than just the cooling fans not coming on. Does it restart right away after it stalls out?
I did find some information on pulling codes without a scan tool, but it's very unclear what pins they want you to jump out at the DLC or what DLC the car even has. So, I'm hesitant on telling you to jump out any pins on the DLC to try to read codes. Especially if the check engine light is not working correctly.
These are the 3 different Data link connectors shown, two of them are 16 pin but the first only has 6 wires, whereas the 2nd has 8 wires. (diagrams 3,4).
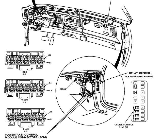
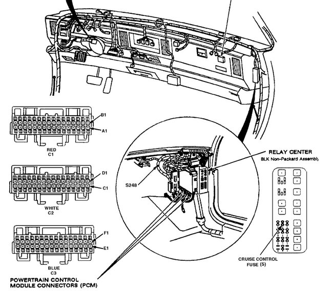
If you check the coolant level and sensor for the PCM, and those are ok, I would go to the PCM connector and check for power on those two wires for the fan relays with the key On. You should see 12volts if you back probe the connector wires there. The Middle White PCM connector on the WD10 & WD11. If you're missing power, that at least gives you some direction with the cooling fan issue. And maybe you're dealing with a wiring issue you will find that clears up some of these running problems too. I understand this is not an easy diag without any scan tool data, that's for sure.
Also check the PCM grounds, they all look to go to the same location with these Black/White and Tan/White wires. The PCM would ground everything through that location, including any relays.
Images (Click to enlarge)
May 27, 2025 at 11:59 AM