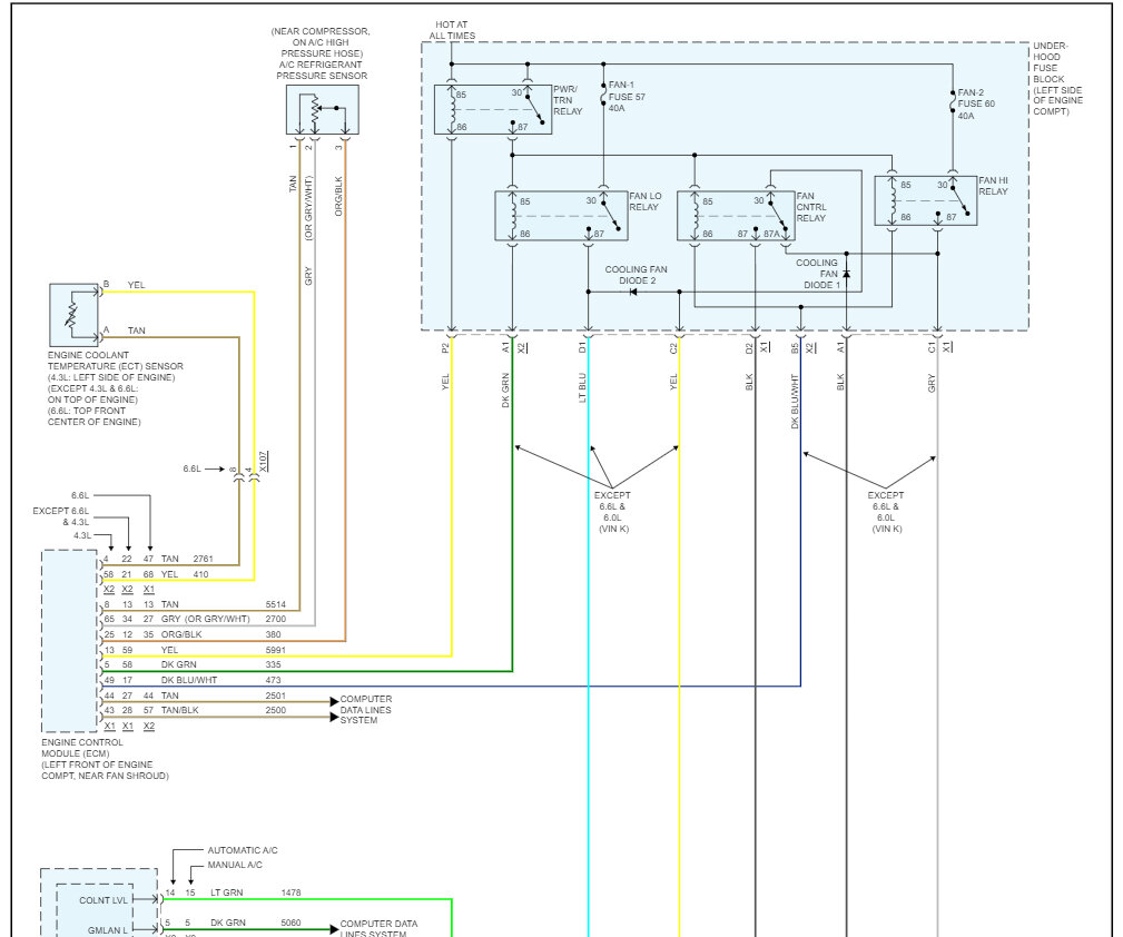
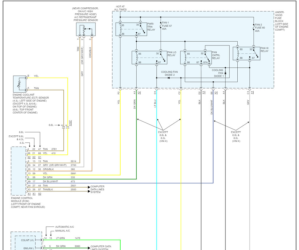
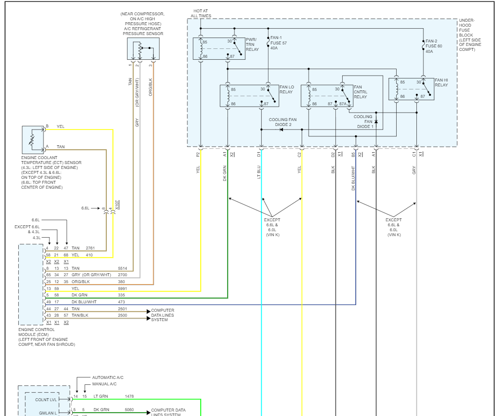
The truck listed above is an LS extended cab. My truck had a small coolant leak from the water pump and the temperature would fluctuate between 210 mark and almost to the next tick line only at idle. Replaced water pump (CarQuest brand) still same result with coolant temperature. Switched out the thermostat for a new one (CarQuest brand) same result with temperature. Plug in scan tool. The engine temperature gets to 224 225 then fans kick on them and will go back down to 210. This only happens at idle. From what I’m reading elsewhere anything above 210 isn’t normal?? Wondering if the temperature sensor should be replaced or is it something more expensive?
Jun 25, 2023 at 8:36 PM










