Cooling fans not working? What temperatures are the relays supposed to turn on the relays on?

2005 CHEVROLET SSR
65,000 MILES • 6.0L • V8 • 2WD • AUTOMATIC
Avatar
WARREN SHANKS
  • MEMBER
  • 4 POSTS
Replaced the fan, both the speeds will run when jumped at their respective relays. There is battery hot and ignition hots at both relays. Has Chevrolet with the PCM supplying the grounds to these? What temperatures are the relays supposed to turn on the relays on?
Aug 15, 2022 at 7:23 AM
Advertisement
Avatar
STRAILER
  • CERTIFIED EXPERT
  • 53,854 POSTS
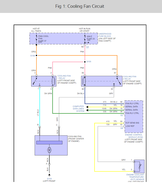
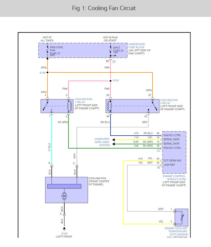
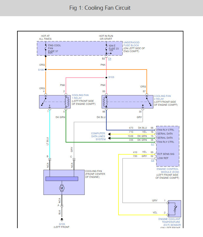
The fan should turn on at 230 degrees Fahrenheit. Yes, the PCM supplies the grounds for the relay when it wants to activate the relays. Here is a wiring diagram of the radiator cooling fan relays so you can see how the system works. Also, check the ground at the left front of the engine compartment and the fuses for the system # 37 and 23 in the under-hood fuse panel. Check out the diagrams (below). Please let us know what you find.
Aug 15, 2022 at 12:53 PM
Avatar
WARREN SHANKS
  • MEMBER
  • 4 POSTS
As I told you I can jump the relays and make both fan speeds work, which tells me the ground is okay. and also, that there is power to both b+ terminals in the relays and both ignition hot terminals in the relays. Has GM had a problem with their PCMs? 230 degrees sounds awfully high. Can I tee in to the PCM grounds and run a switch?
Aug 15, 2022 at 2:10 PM
Advertisement
Avatar
STRAILER
  • CERTIFIED EXPERT
  • 53,854 POSTS
Sure can, yes, they did have problem with the PCM's turning on the fans, here is how to do the PCM replacement below.


ENGINE CONTROL MODULE (ECM) REPLACEMENT

REMOVAL PROCEDURE
1. Using a scan tool, retrieve the percentage of remaining engine oil. Record the remaining engine oil life.

IMPORTANT: It is necessary to record the remaining engine oil life. If the replacement module is not programed with the remaining engine oil life, the engine oil life will default to 100 percent. If the replacement module is not programmed with the remaining engine oil life, the engine oil will need to be changed at 5 000 km (3,000 mi) from the last engine oil change.

2. Disconnect the negative battery cable.
3. Open the hood.
4. Reposition the engine control module (ECM) water boot aside.
5. Remove the ECM from the bracket.
6. Disconnect the electrical connections from the ECM and remove the ECM.

INSTALLATION PROCEDURE
1. Install the electrical connections to the ECM.

NOTE: Refer to Fastener Notice in Service Precautions.

Tighten bolts to 10 N.m (89 lb in).

2. Install the ECM to the bracket.
3. Position the ECM water boot back into place.
4. Close the hood.
5. Connect the negative battery cable.
6. Program the ECM. See: Vehicle > Programming and Relearning


ENGINE CONTROL MODULE PROGRAMMING AND SETUP

The following service procedures require either a programming or a setup event performed for a complete repair.

ECM Replacement
If the engine control module (ECM) is replaced, the following procedures must be performed:
1. The ECM Reprogramming-Refer to Service Programming System (SPS).
2. The CKP Variation Learn-Refer to CKP System Variation Learn Procedure in Computers and Control Systems.
3. The Theft Deterrent Programming-Refer to Programming Theft Deterrent System Components in Theft Deterrent.

PCM Reprogramming
- If the ECM needs to be reprogrammed, refer to Service Programming System (SPS).
- Engine Oil Life Remaining-When available, use a scan tool to reset the Engine Oil Life Remaining back to the original percentage recorded before the module was reprogrammed.
- Transmission Fluid Life Remaining-When available, use a scan tool to reset the Transmission Fluid Life Remaining back to the original percentage recorded before the module was reprogrammed.

Setup for Component Replacement
The replacement of some components will require a setup procedure for complete repair.

If any of the following components are replaced, a CKP Variation Learn Procedure must be performed. Refer to CKP System Variation Learn Procedure.
- Engine replacement
- Any engine repair that disturbs the crankshaft position (CKP) sensor or its relationship with the crankshaft reluctor wheel
- CKP sensor

Please let us know what happens.
Aug 16, 2022 at 6:45 PM
Avatar
WARREN SHANKS
  • MEMBER
  • 4 POSTS
Thanks for that. Do you think if I were to T in to the PCM ground wires to the relays and add a switch for each speed would turn the check engine light on? Obviously the fans would work but I am concerned about the check engine light and vehicle inspection for my tags? Thanks again for your help!
Aug 17, 2022 at 4:28 AM
Avatar
STRAILER
  • CERTIFIED EXPERT
  • 53,854 POSTS
I don't think it will trigger a check engine light, but check before you button things up to be safe.
Aug 17, 2022 at 11:36 AM
Avatar
WARREN SHANKS
  • MEMBER
  • 4 POSTS
Thanks again for your help.
Aug 18, 2022 at 5:18 AM
Avatar
STRAILER
  • CERTIFIED EXPERT
  • 53,854 POSTS
Use 2CarPros anytime, we are here to help. Please tell a friend.
Aug 18, 2022 at 3:33 PM