Cooling fans not working

1999 MITSUBISHI ECLIPSE
200,000 MILES • 2.0L • 4 CYL • 2WD • MANUAL
Avatar
MACKWHITTEN
  • MEMBER
  • 1 POST
Driver's side cooling fan is burned out will that keep the passenger side fan from working. The passenger side only works if I put jumpers on it. Car runs hot when in idle.
Jan 29, 2021 at 3:58 PM
Advertisement
Avatar
ASEMASTER6371
  • CERTIFIED EXPERT
  • 52,796 POSTS
Good evening,

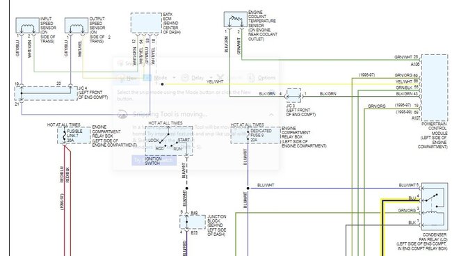
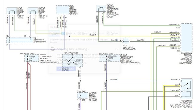
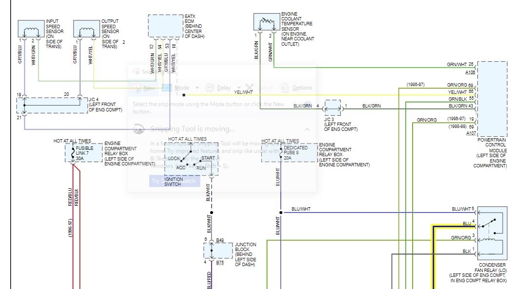
I attached a wiring diagram of the system for you. Did you verify power to the cooling fan for the A/C when you turn on the A/C system?

https://www.2carpros.com/articles/how-to-check-wiring

https://www.2carpros.com/articles/how-to-check-a-car-fuse

You need to test the relays to see if they are sending current to the fans for operation.

https://www.2carpros.com/articles/how-to-check-an-electrical-relay-and-wiring-control-circuit

https://www.2carpros.com/articles/how-an-electric-cooling-fan-works

https://www.2carpros.com/articles/replace-electric-fan-motor

Roy
Jan 29, 2021 at 5:21 PM