Cooling fans not working?

2004 LEXUS RX 330
220,000 MILES • 3.5L • 6 CYL • 2WD • AUTOMATIC
Avatar
JMAN2081
  • MEMBER
  • 2 POSTS
Both cooling fans are not running. The relays are good, and the fan control module seems okay. The power supply has 12 volts in and both terminals for both fans have about 9.6 volts going out of module to fans. From what I researched this is good. Thermostat is new and working properly. I jumped power to fans directly and only the driver side will turn on. Nothing on the passenger side. Seems that the passenger motor is bad, but will this prevent the driver side from running?
Mar 21, 2023 at 6:24 PM
Advertisement
Avatar
STRAILER
  • CERTIFIED EXPERT
  • 53,854 POSTS
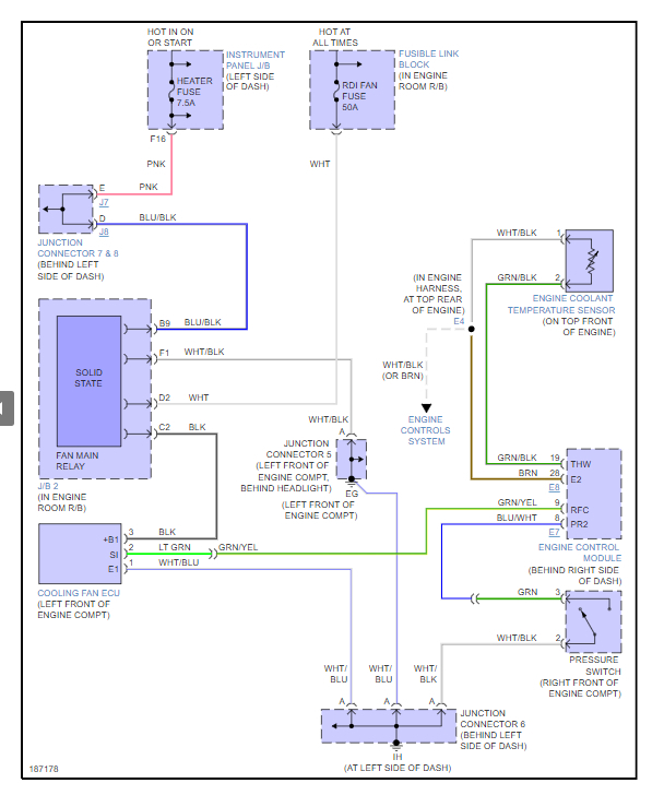
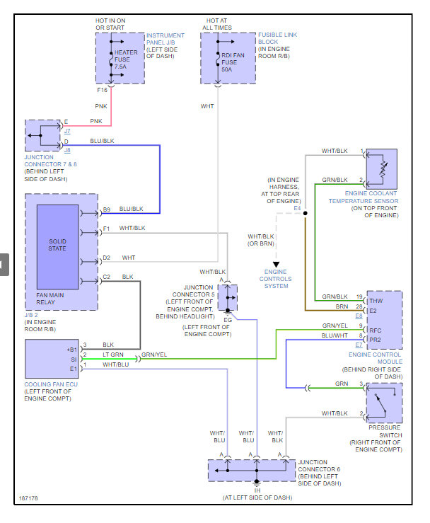
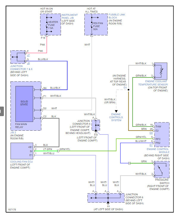
It sounds like the cooling fan ECU can be out but I would replace the calling fan motor that you know does work first because the system works together here is the wiring diagrams so you can see how the fans are linked. Check out the images (below). Let us know what happens and please upload pictures or videos of the problem so we can see what's going on.
Mar 22, 2023 at 4:20 PM
Avatar
JMAN2081
  • MEMBER
  • 2 POSTS
I ordered a new fan assembly and installed it yesterday. The issue is fixed and both fans are now working. The new assembly came with a new fan control module so I'm not sure if it wasn't working because of the module itself or because one fan motor was bad. Thank you for the reply and information Ken L.
Apr 22, 2023 at 7:07 AM
Advertisement
Avatar
STRAILER
  • CERTIFIED EXPERT
  • 53,854 POSTS
Thanks for letting us know, we are here to help, please use 2CarPros anytime.
Apr 24, 2023 at 10:26 AM