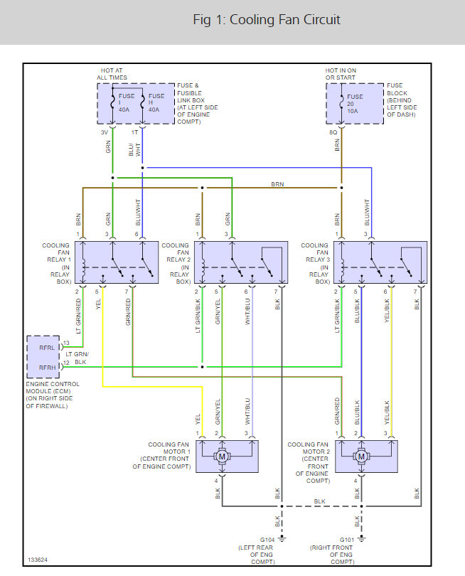
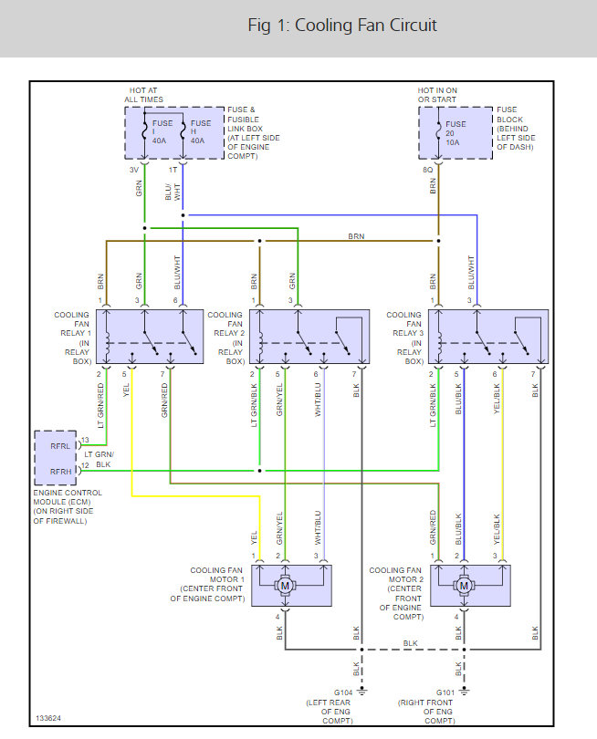
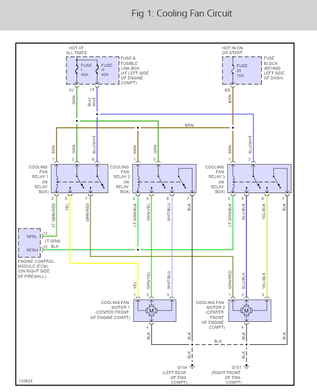
I have replaced the coolant sensor and thermostat moved the radiator fan relays replaced fuses. Just did the common crank sensor replacement issue.
also I have codes p1126, P1140 and p1130 up. And I still cannot get the radiator fans to come on unless the AC is on. Yes the car goes up to the hot line before anyone asks. Note: I said fans both fans are working when AC is on just not when AC is off.
also I have codes p1126, P1140 and p1130 up. And I still cannot get the radiator fans to come on unless the AC is on. Yes the car goes up to the hot line before anyone asks. Note: I said fans both fans are working when AC is on just not when AC is off.
Sep 6, 2018 at 3:28 PM

