cooling fans run whenever the car is running?

2001 BUICK PARK AVENUE
147,000 MILES • 3.8L • V6 • 2WD • AUTOMATIC
Avatar
  • MEMBER
  • 4 POSTS
Hi, the cooling fans run whenever the car is running. I have changed the coolant temperature sensor and the fan relays #31, #34 and #35 but the fans still run whenever the engine is running.
Jan 23, 2024 at 8:38 AM
Advertisement
Avatar
STRAILER
  • CERTIFIED EXPERT
  • 53,854 POSTS
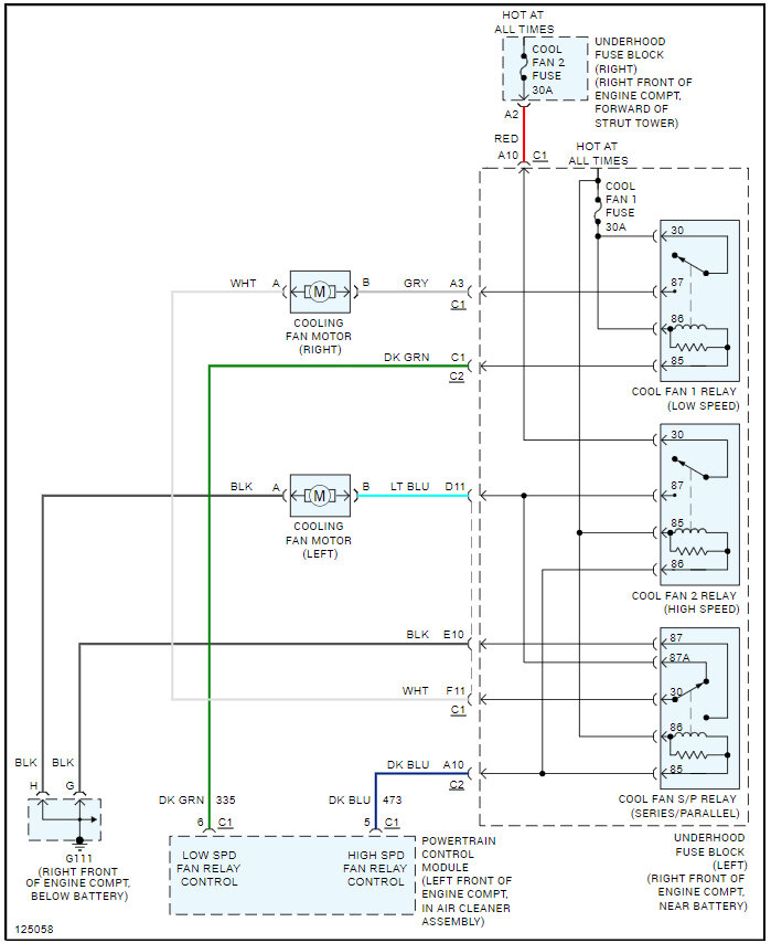
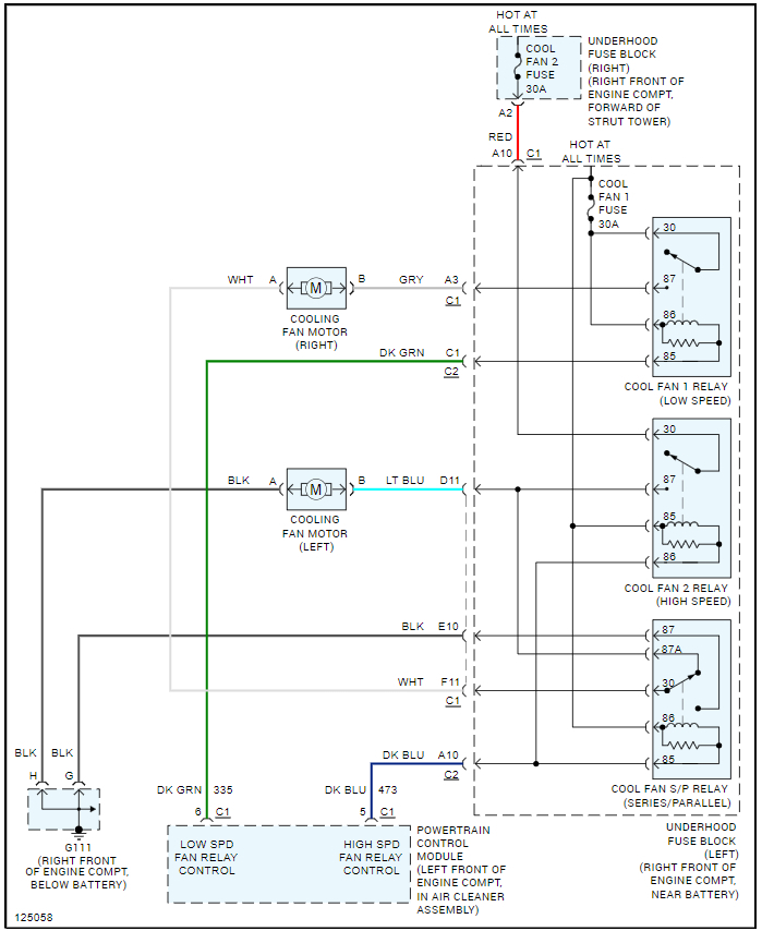
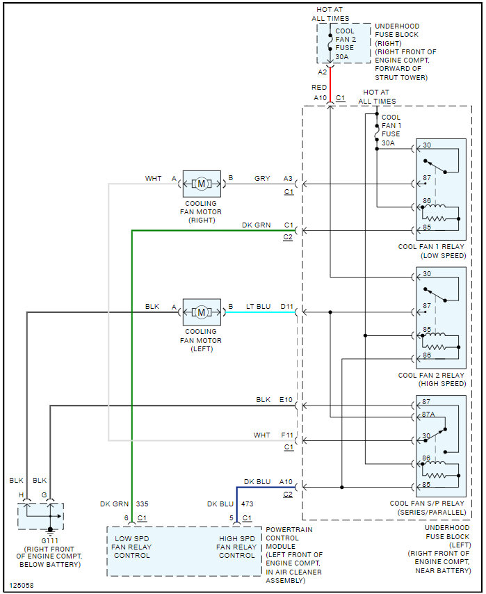
Do the fans run when the HVAC system is off? If so the fan control driver inside the PCM has gone out. Here are the wiring diagrams so you can see how the cooling fan system works and the location of the PCM. You can get a rebuilt unit by searching google or Ebay. Check out the images (below). Please let us know what happens.
Jan 23, 2024 at 11:20 AM