Hi,
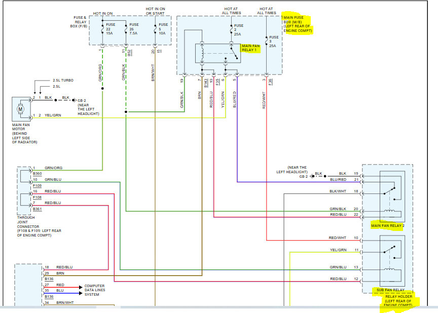
If they are always on, there is a good chance you have a relay that has failed. Three different relays can fail. If you look below, I attached the wiring schematic of the circuit and highlighted the relays. What I need you to do is remove one at a time. If there is no change, reinstall it and go to the next one to see if one of the three turns the fan off.
Note the relay box is under the hood. I attached a picture below showing it and highlighted the three relays to test. Note: If one of the relays turns the fans off, shake it when it is out to see if anything sounds loose inside it.
Let me know what you find.
Take care,
joe
See pics below.
Images (Click to enlarge)
Jan 24, 2025 at 6:29 PM