☰
Login
Join
×
Home
Answered Questions
Repair Topics
Repair & Service Guides
Popular Questions
Warning Lights
Trouble Codes
How It Works
Testing / Diagnostics
Symptoms
Videos
Login
Become a Member
Home
Chevrolet
Uplander
Engine Cooling
Cooling Fan
Not Working
Cooling fan will not come on unless A/C turned on then only on low
2008 CHEVROLET UPLANDER
169,000 MILES • 3.9L • V6 • 2WD • AUTOMATIC
TED FINLEY
MEMBER
10 POSTS
FOLLOW
New fans, comes as AC and radiator fans. checked relays. when ground check relay fans come on high speed. just replaced transmission new.
Apr 27, 2019 at 7:17 AM
Advertisement
ASEMASTER6371
CERTIFIED EXPERT
52,796 POSTS
Good afternoon,
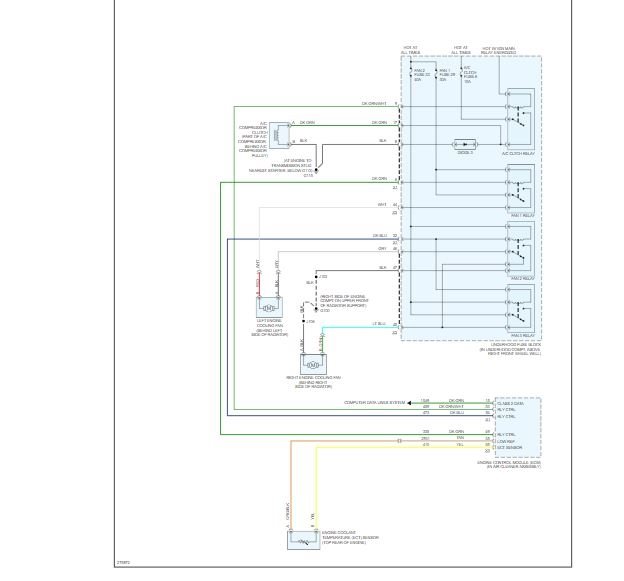
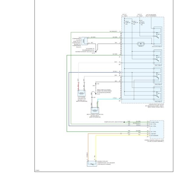
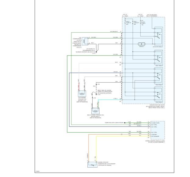
Try this. Remove the connector for the cooling fans. Do this while the engine is running and see if the fan kicks on.
Check the fuses I circled in the diagram I attached for power as well.
Roy
Images (Click to enlarge)
Apr 27, 2019 at 9:42 AM
TED FINLEY
MEMBER
10 POSTS
Checking now. think I checked this relay, but will check again. thanks
Apr 27, 2019 at 1:52 PM
Advertisement
ASEMASTER6371
CERTIFIED EXPERT
52,796 POSTS
Sounds good. Keep us updated.
Roy
Apr 27, 2019 at 1:58 PM
TED FINLEY
MEMBER
10 POSTS
checked fuse, checked relay okay.
Apr 27, 2019 at 6:37 PM
ASEMASTER6371
CERTIFIED EXPERT
52,796 POSTS
Did you do what I suggested with the sensor connector?
Roy
Apr 27, 2019 at 7:04 PM
TED FINLEY
MEMBER
10 POSTS
Yes.
Apr 29, 2019 at 7:47 AM
ASEMASTER6371
CERTIFIED EXPERT
52,796 POSTS
And the result.
Roy
Apr 29, 2019 at 8:20 AM