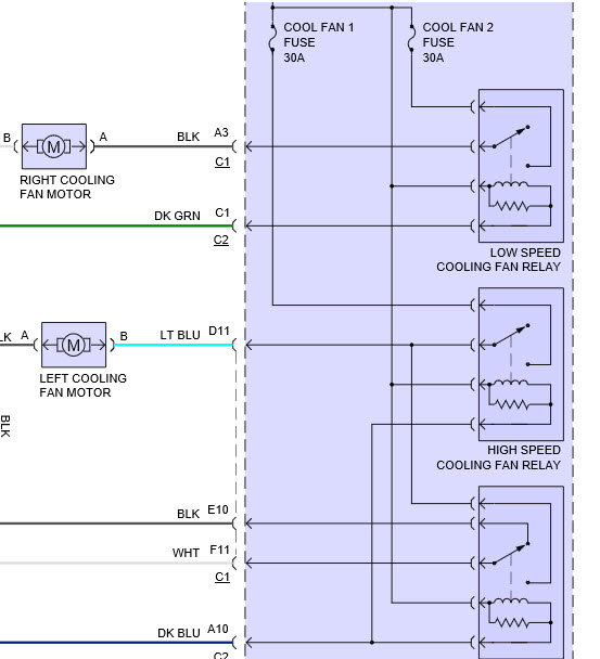
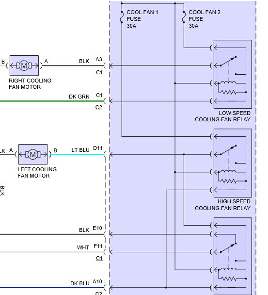
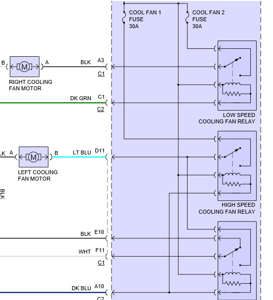
have seen as high as 215* on digital info ctr. cooling fans don't come on , fans run freely with 12v jumped @ u/h fuse & relay ctr, relays check good n I don't just mean they click and all related fuses that I can find (this car has 3 fuse boxes) r good. I've been advised that fans should come on when the a/c or def is turned on , they do not...I just drove this car on a 300mi.trip on a 60*day n temp never went over 192*,now its 20*outside n temp shoots up over 210/212 when sitting still,, soon as you move it goes back down to 190/195
Jan 6, 2016 at 7:55 AM

