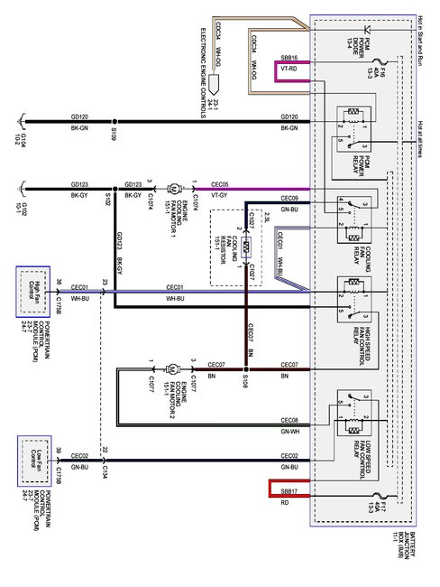
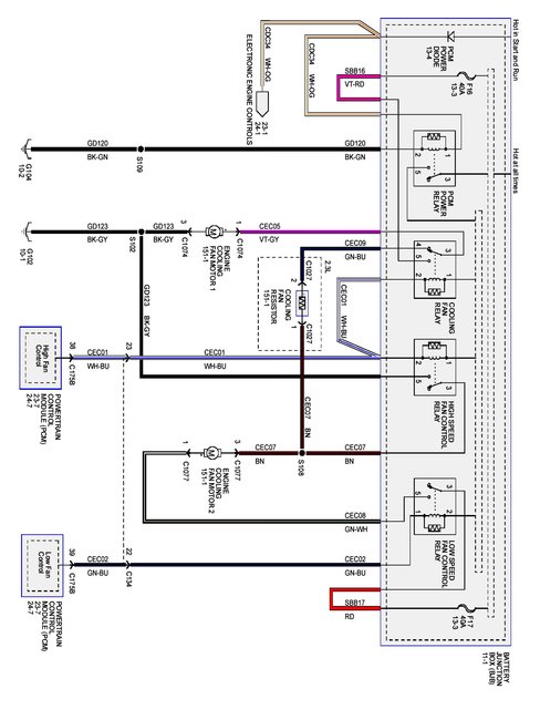
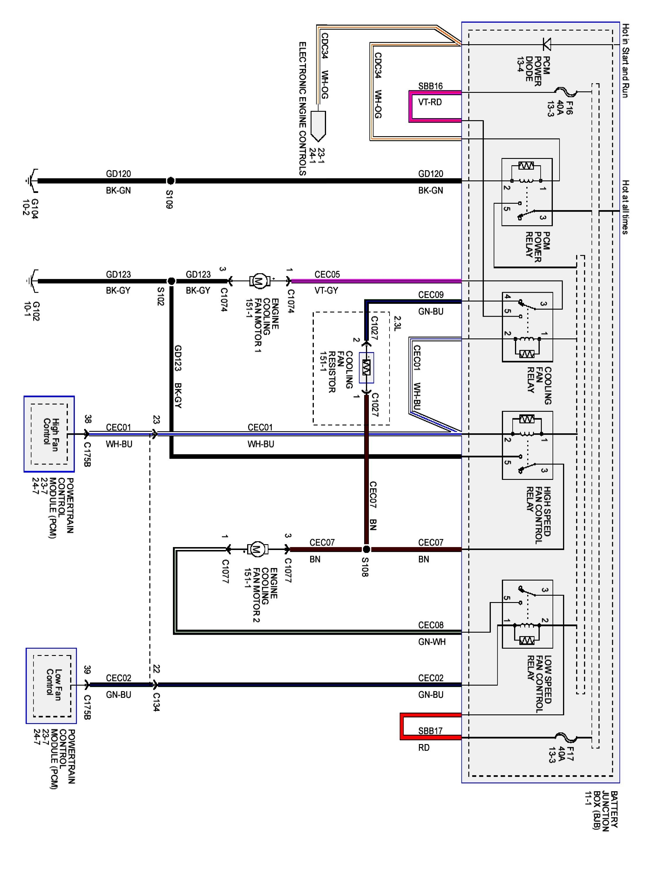
One of the two cooling fans does not stop running until the battery is drained. I disconnected the battery, but the fan starts right back up when battery is reconnected.
Oct 30, 2017 at 10:22 AM
