The radiator cooling fans stay on high speed constantly?

2016 FORD F-150
50,000 MILES • 5.0L • V8 • 2WD • AUTOMATIC
Avatar
BENNETTRACING21
  • MEMBER
  • 1 POST
Trying to rule out what I can before truck goes to dealership. Where is the sensor location that runs the cooling fans?
Dec 16, 2019 at 9:47 AM
Advertisement
Avatar
TOUGHDIVER
  • CERTIFIED EXPERT
  • 224 POSTS
Hi,

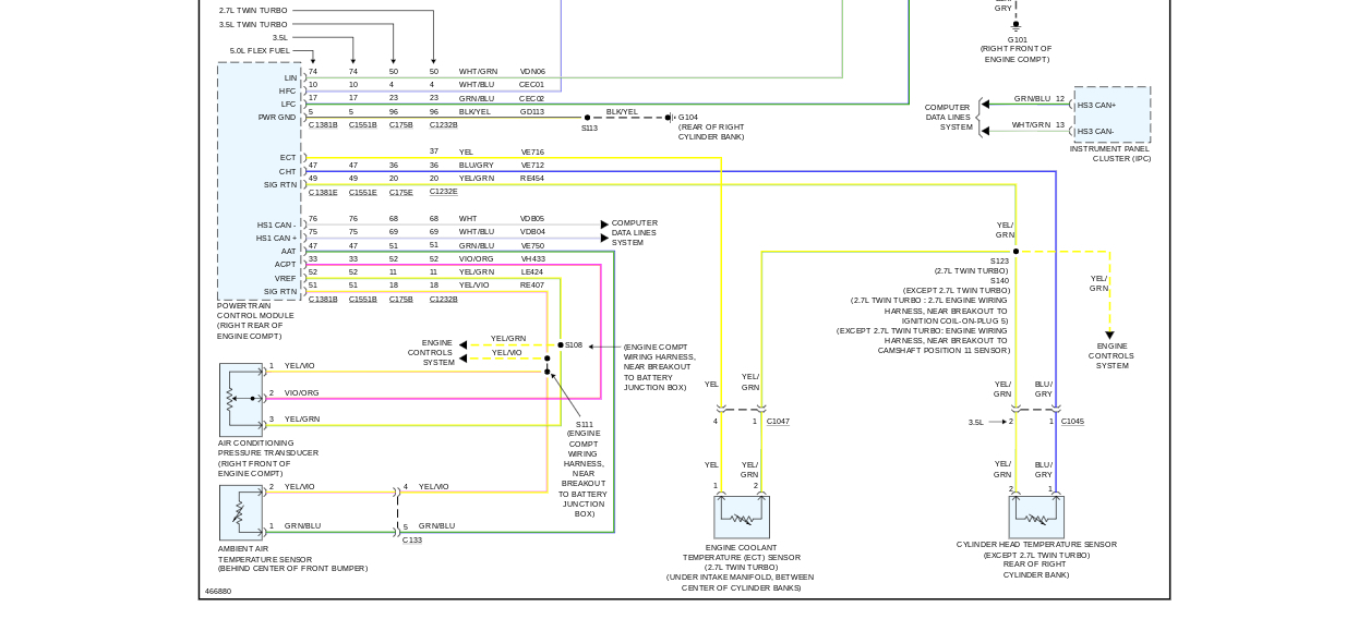
Your cooling fans can stay for many reasons. Make sure your engine or transmission is not overheating using a external thermometer if you have one. Also check your Diagnostic Trouble Codes and address them and clear your Control Module. I have included some diagrams and sensor location below, Be sure to check your air conditioning as well as your engine cooling system. This information should get you on the right track. Let us know were the problem was and what it took to repair it. If you need any more information please let us know.

Thank you,
Joe Terwilliger
Dec 16, 2019 at 6:20 PM
Avatar
ANGELA SCHMIDT
  • MEMBER
  • 1 POST
The engine fan runs fast as soon as I start the truck. It does not shut off. I checked the relay switch and that seems to be okay.
May 7, 2021 at 10:48 AM (Merged)
Advertisement
Avatar
STRAILER
  • CERTIFIED EXPERT
  • 53,854 POSTS
Hello,

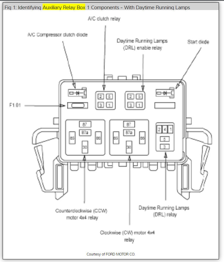
There are two motors and three relays that run the system. do you have a check engine light on? Also is the temperature gauge on hot all the time like the sensor has gone bad? Here is the fan system wiring diagrams so you can see how the system works and a guide to help check the relays:

https://www.2carpros.com/articles/how-to-check-an-electrical-relay-and-wiring-control-circuit

Let run the codes as well.

https://www.2carpros.com/articles/checking-a-service-engine-soon-or-check-engine-light-on-or-flashing

Check out the diagrams (below). Please let us know what you find. We are interested to see what it is.

May 7, 2021 at 10:48 AM (Merged)
Avatar
CARPENTER5
  • MEMBER
  • 1 POST
After replacing my water pump and thermostat my cooling fans are coming on and when they do they are loud. Extremely loud. What could be causing them to come on high? Cooling sensor? If so where is it located?
May 7, 2021 at 10:48 AM (Merged)
Avatar
STRAILER
  • CERTIFIED EXPERT
  • 53,854 POSTS
Hello,

I would recheck any grounds that might have been left off. After that you may have bumped the engine coolant temperature sensor here is its location so you can recheck the connector.

Also, we should run the cods to see what comes up.

https://www.2carpros.com/articles/checking-a-service-engine-soon-or-check-engine-light-on-or-flashing

Check out the diagrams (below). Please let us know what you find. We are interested to see what it is.
May 7, 2021 at 10:48 AM (Merged)
Avatar
AAHINSON
  • MEMBER
  • 1 POST
I just changed my water pump and thermostat. Refilled coolant as required and burped the system correctly. When I drive, the cooling fan comes on turbo mode and truck is not running hot. The fan stays on high and will not go off until truck is turned off. Heat inside the car is hot and truck does not overheat. Coolant level is perfect.
May 7, 2021 at 10:48 AM (Merged)
Avatar
KASEKENNY
  • CERTIFIED EXPERT
  • 18,907 POSTS
So I assume this did not do this before you made this repair of the water pump? If not then we need to monitor the PCM and see what the fan is being commanded to do. Clearly if it is not being commanded on high then we have a wiring or other control issue.

If it is being commanded on high then we need to look at what the temp sensor is reading. This is what the PCM looks at to determine if the fan needs to be on high. The thermostat fully opens at 212 F so if the fan is running on high before this is even open then as long as the sensor is reading properly then I suspect there is a wiring issue.
May 7, 2021 at 10:48 AM (Merged)
Avatar
WINSTON MORGAN
  • MEMBER
  • 1 POST
Cooling fan on even when engine cold. I suspect temperature sensor.
May 7, 2021 at 10:49 AM (Merged)
Avatar
STRAILER
  • CERTIFIED EXPERT
  • 53,854 POSTS
The fan clutch is electronically controlled by the PCM Is there is check engine light on?

I am thinking it could be a temperature sensor that is out. Lets try reading the codes to see what come up.

Here is a guide to help you:

https://www.2carpros.com/articles/checking-a-service-engine-soon-or-check-engine-light-on-or-flashing

I would also check the fuses to make sure everything is getting power.

https://www.2carpros.com/articles/how-to-check-a-car-fuse

Below are some diagrams that will help us get started.

Please let us know what happens.

Cheers, Ken
May 7, 2021 at 10:49 AM (Merged)