Cooling fan switch location

2006 HONDA CIVIC
79,000 MILES • 1.8L • 4 CYL • AUTOMATIC
Avatar
OSLGS
  • MEMBER
  • 2 POSTS
My car is overheating, the fan comes on only when i turn on the AC. i am trying to locate the the cooling fan switch.
Nov 28, 2017 at 2:50 PM
Advertisement
Avatar
PATENTED_REPAIR_PRO
  • CERTIFIED EXPERT
  • 1,853 POSTS
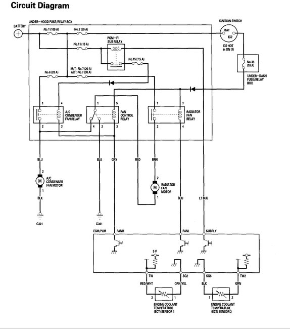
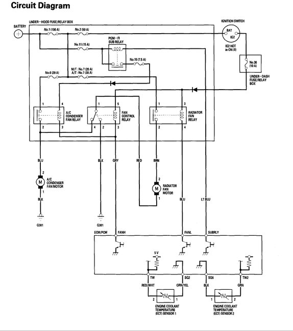
I see two engine coolant temperature sensors. Give me a moment to get their locations, but here is that wiring diagram.
Nov 28, 2017 at 3:02 PM
Avatar
PATENTED_REPAIR_PRO
  • CERTIFIED EXPERT
  • 1,853 POSTS
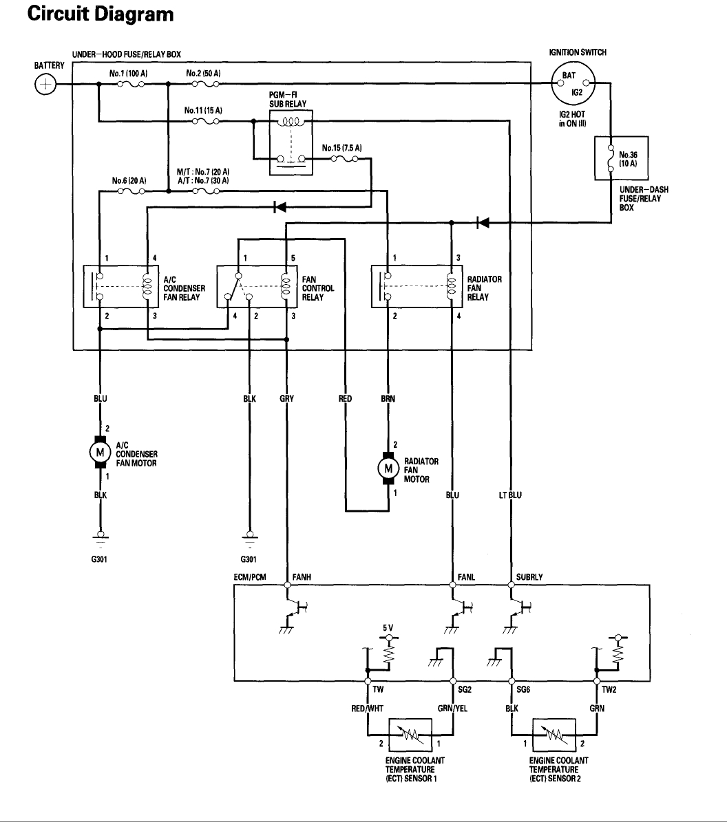
ECT 2 sensor is on the fan shroud and ect1 is on the engine a few inches from the end of the upper radiator hose. Here are some diagrams.
Nov 28, 2017 at 3:06 PM
Advertisement
Avatar
OSLGS
  • MEMBER
  • 2 POSTS
thank you very much. i think the diagrams will be very useful.
Nov 28, 2017 at 3:15 PM
Avatar
PATENTED_REPAIR_PRO
  • CERTIFIED EXPERT
  • 1,853 POSTS
You are welcome.
Nov 28, 2017 at 3:21 PM