Cooling fan not working

2003 DODGE CARAVAN
200,000 MILES • 3.3L • 6 CYL • 2WD • AUTOMATIC
Avatar
PARKCK
  • MEMBER
  • 2 POSTS
Hi

My van listed above is the SE model. It has been overheating since a month ago. When i driving no traffic time to freeway not overheat but traffic than have to stop somewhere.

I found radiator cooling fan not running but both fans running when i turn on air condition. I have OBDII sensor can see engine coolant temperature.
Engine stop near 220f.

Oil change month ago and coolant full and no leak.
I believe cooling fan and water pump fine.
Fan fuse(40a) is fine.

Right now replaced radiator fan relay and thermostat.

Some mechanic told me computer control board!

If computer board issue then to make manual switch to fan relay.
I saw 4 cables to fan relay.
2 thick cables and 2 thin cables. I guess 2 thick for power to fan and 2 thin for close relay.

Thanks.
Aug 29, 2019 at 9:16 PM
Advertisement
Avatar
KASEKENNY
  • CERTIFIED EXPERT
  • 18,907 POSTS
Hi,

Just so I understand, both fans come on when you have the A/C on but if the A/C is off, the second fan never comes on?

When you say the engine stops at 220, do you mean that it shuts off at 220 or the scan tool temperature doesn't show a temperature above 220?

This does sound like a PCM or a IPM, but I want to make sure of the questions above.

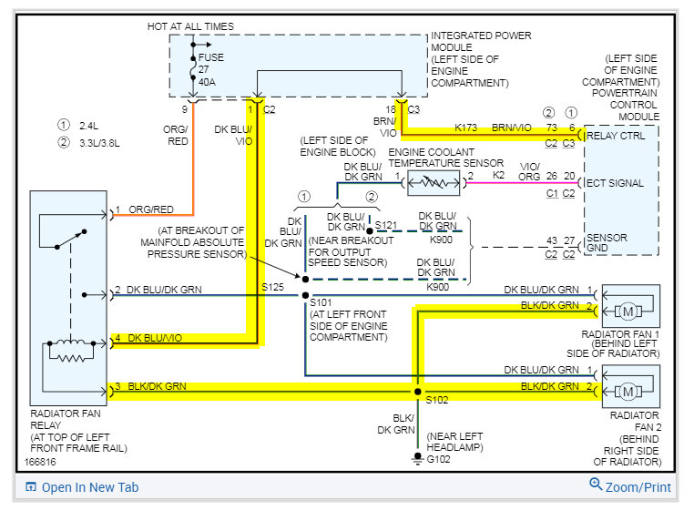
Also, if you want to bypass the PCM then you need to tap into the control circuit that I highlighted in this diagram. Basically, the PCM applies power on the control circuit to tell the fans to come on. If you wire a switch from 12 volts to the dark blue/violet wire which is before the relay, then you should be able to apply the voltage here and the fans come on. However, I have never done this so I am not sure what effects this may have on the PCM. I would definitely put a fuse between the switch and 12 volt source just to make sure you don't have issues with too much current.

Let me know if you have questions.
Aug 30, 2019 at 1:34 PM
Avatar
PARKCK
  • MEMBER
  • 2 POSTS
Hello Expert.

Thank you for the advice.

1. AC off FAN off.
2. 220°F come from scan tool.

I saw 4 wires connect to Fan relay as attached picture

I wish to make manual switch for turn on/off radiator fans during driving car.
Where am i connect manual switch each other.
Can i use cable splicer or cut cable?

Thanks.
Sep 1, 2019 at 9:50 AM
Advertisement
Avatar
KASEKENNY
  • CERTIFIED EXPERT
  • 18,907 POSTS
Looks like the control wire is the dark blue and violet and the black and dark green wire is the power wire for the fans. It is hard to tell which of those is these wires. So what I would suggest is taking a jumper wire with 12 volts on it and back probe each of the wires and see what makes the fan come on. This is the one that you will want to hook your switch too. Again, make sure you are using a fuse so you don't burn up your fans on accident.
Sep 2, 2019 at 3:04 PM