Cooling fan not functioning, wiring diagram for the cooling system needed?

2001 TOYOTA SIENNA
234,356 MILES • V6 • 2WD • AUTOMATIC
Avatar
BLESSING EWOBOR
  • MEMBER
  • 754 POSTS
The cooling fan of the engine is not functioning. Could I have the wire diagram for the cooling system?
Feb 27, 2025 at 7:28 PM
Advertisement
Avatar
JACOBANDNICKOLAS
  • CERTIFIED EXPERT
  • 110,175 POSTS
Hi,

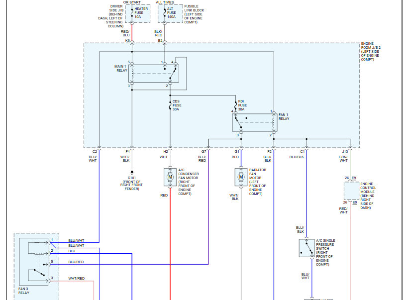
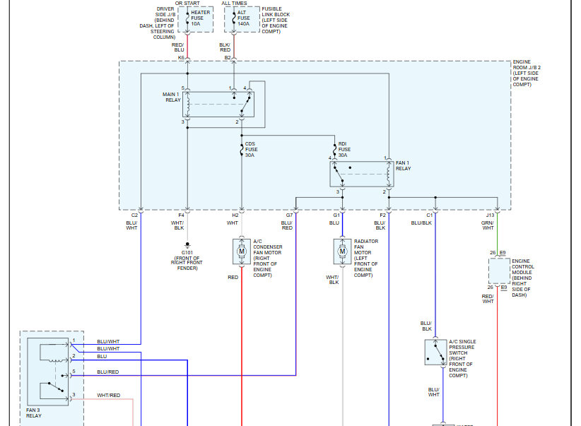
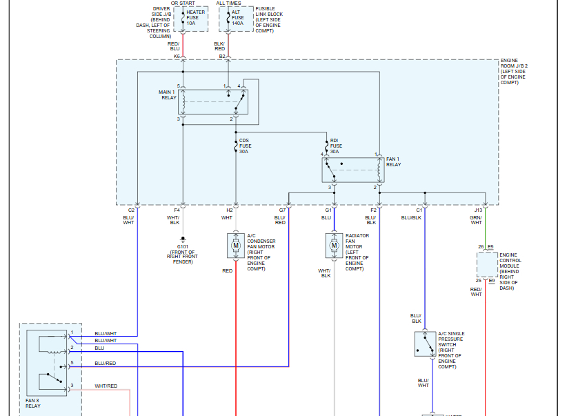
Before tearing into the circuit, run power directly to the fans to make sure they are functional. If they are, keep in mind there are three relays. I just took a look and from what I'm seeing, fan relay 1, located in under the hood in the engine compartment, must work for the other two to get power. I would start there.

I attached the wiring schematic below for you. I had to cut the pic in two to make it readable. I did overlap the two so you can follow from one to the next.

I hope this helps. Let me know if you have questions.

Take care,

joe

See pics below.
Feb 28, 2025 at 8:39 PM
Avatar
BLESSING EWOBOR
  • MEMBER
  • 754 POSTS
Thank you very much.
Mar 1, 2025 at 8:48 AM
Advertisement
Avatar
STRAILER
  • CERTIFIED EXPERT
  • 53,854 POSTS
JACOBANDNICKOLAS is one of our best, let us know if you need anything else.
Mar 3, 2025 at 10:27 AM
Avatar
BLESSING EWOBOR
  • MEMBER
  • 754 POSTS
Thank you.
Mar 4, 2025 at 11:04 AM