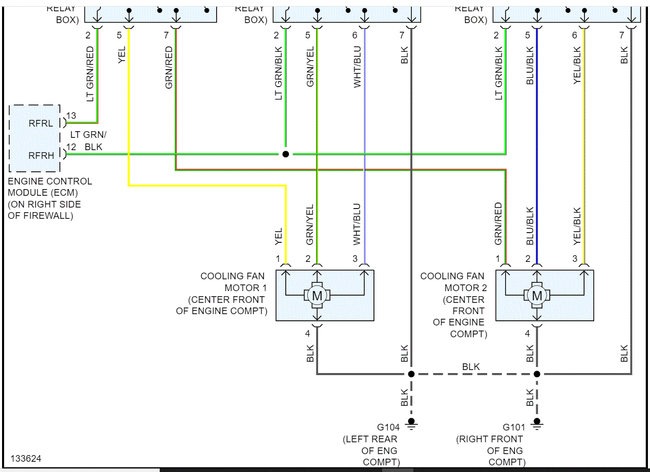
So, I've had my car for about a year this month. Recently I noticed the cooling fan getting really loud when the car gets hot. On Friday the car started to overheat while waiting at a light. I knew the fan was the cause. After watching a few videos, I checked the voltage on all three cooling fan relays. I got 12 on all 3. Now I'm stuck. I don't even know which relay controls the high-speed function. Do I need to just replace the whole fan assembly? Sounds like it. Please help.
Dec 20, 2021 at 7:51 PM



