Cooling fan is not working the fan motor is good

2004 TOYOTA SIENNA
98,000 MILES • 3.3L • V6 • AUTOMATIC
Avatar
JOSEPH UGWUNEKE
  • MEMBER
  • 1 POST
The cooling fans are not working. There is power on supply to the fan controller, but the module does not run the fans. What voltage is expected from the small wire that comes with the power cable?
Jun 26, 2022 at 10:48 PM
Advertisement
Avatar
STRAILER
  • CERTIFIED EXPERT
  • 53,855 POSTS
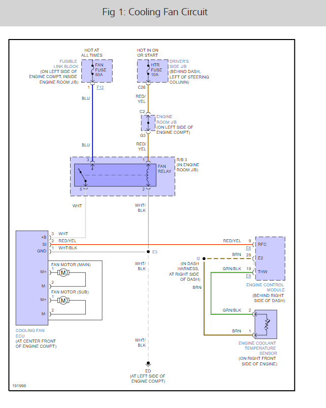
It sounds like the controller is bad, but here are the cooling fan wiring diagrams so you can see how the system works. The signal comes from the engine ECU. This guide can help you check the wiring connections to help find the problem:

https://www.2carpros.com/articles/how-to-check-wiring


Check out the diagrams (below). Let us know what happens and please upload pictures or videos of the problem.
Jun 27, 2022 at 11:59 AM