Cooling fan control location needed

2011 MITSUBISHI LANCER
75,000 MILES • 2.0L • 4 CYL • 2WD • AUTOMATIC
Avatar
DAVID NOGUERA
  • MEMBER
  • 1 POST
Hi, where is the cooling fan control in my car? it is the ES model.
Jul 23, 2017 at 12:32 AM
Advertisement
Avatar
KASEKENNY
  • CERTIFIED EXPERT
  • 18,907 POSTS
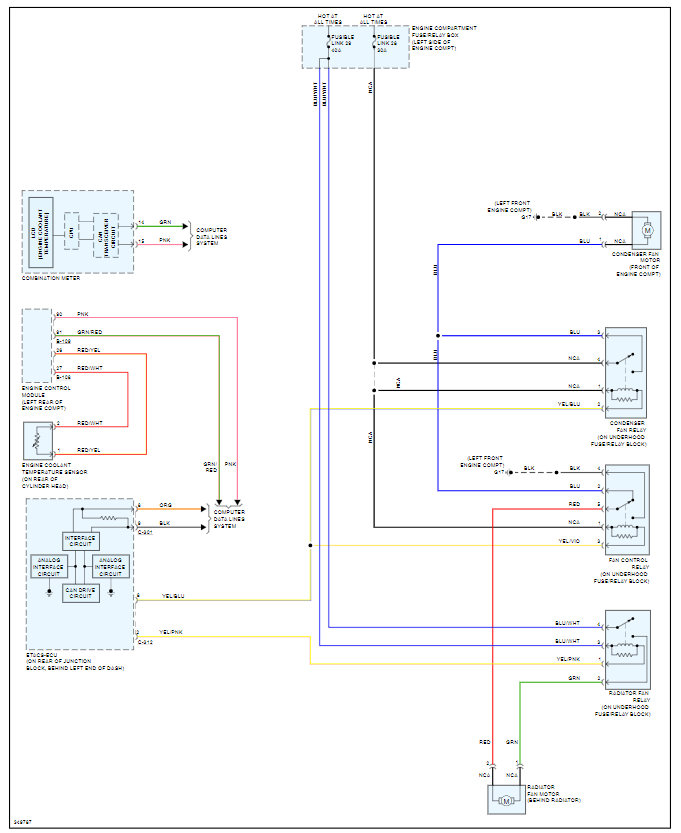
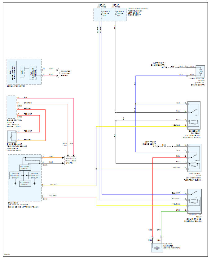
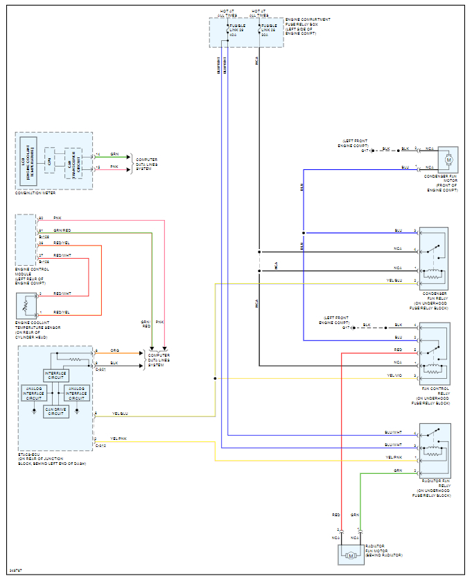
You have 3 cooling fan relays that need to be checked as if your cooling fan is not working that is the most likely cause.

I am attaching the wiring diagrams and the fuse locations of the relays.

Also here is a guide on how to test a relay which will help:

https://www.2carpros.com/articles/how-to-check-an-electrical-relay-and-wiring-control-circuit

Once we know the relays are okay, we can go back to the temp sensor and ECM but they are less likely to be the cause so let's start with the relays.

Let us know what questions you have. Thanks
Nov 28, 2020 at 8:23 AM