Cooling fan not working

2010 CADILLAC SRX
150,000 MILES • 2.8L • 6 CYL • 4WD • AUTOMATIC
Avatar
JEFF GAUTSCHE
  • MEMBER
  • 1 POST
Test fan and power source without dealer computer?
Feb 26, 2020 at 8:30 AM
Advertisement
Avatar
ASEMASTER6371
  • CERTIFIED EXPERT
  • 52,796 POSTS
Good morning,

You can remove the connector for the coolant sensor with the key on. The cooling fan should come on.

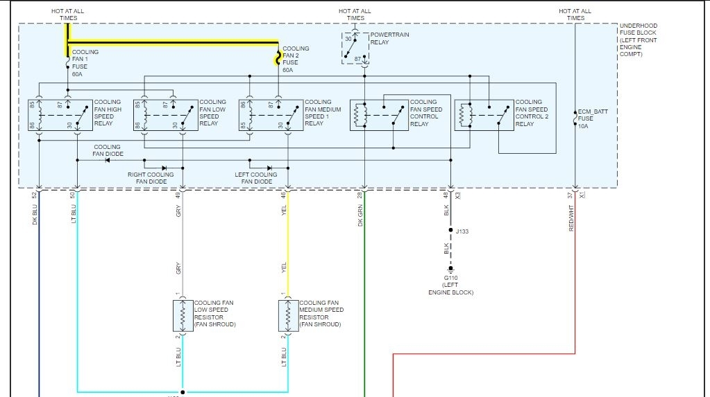
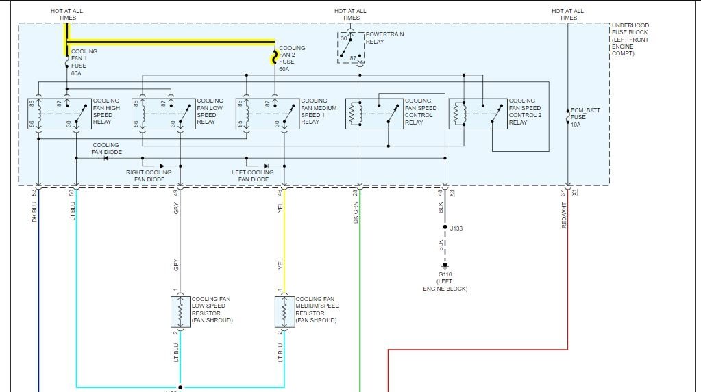
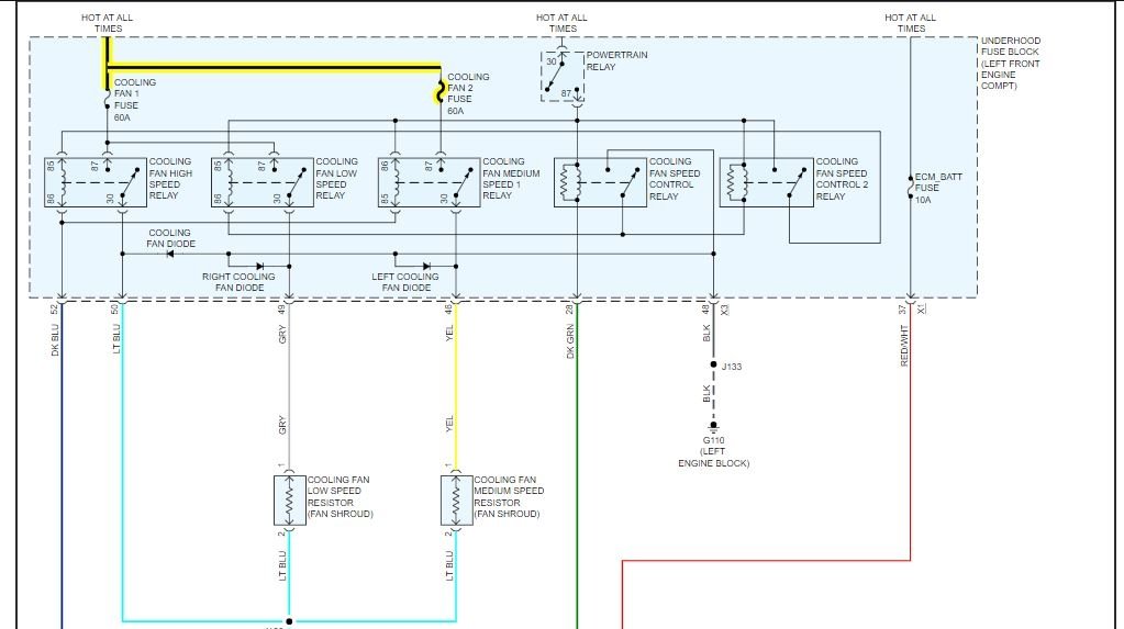
I will attach a wiring diagram and a flow chart for you to view.

Roy
Feb 26, 2020 at 11:10 AM