☰
Login
Join
×
Home
Answered Questions
Repair Topics
Repair & Service Guides
Popular Questions
Warning Lights
Trouble Codes
How It Works
Testing / Diagnostics
Symptoms
Videos
Login
Become a Member
Home
Buick
Regal
Engine Cooling
Cooling Fan
Not Working
Cooling fan
2004 BUICK REGAL
151,000 MILES • 3.8L • V6 • FWD
KNOWLAGE
MEMBER
1 POST
FOLLOW
Fan does not come on and gets hot.
Sep 26, 2017 at 6:48 PM
Advertisement
STRAILER
CERTIFIED EXPERT
53,854 POSTS
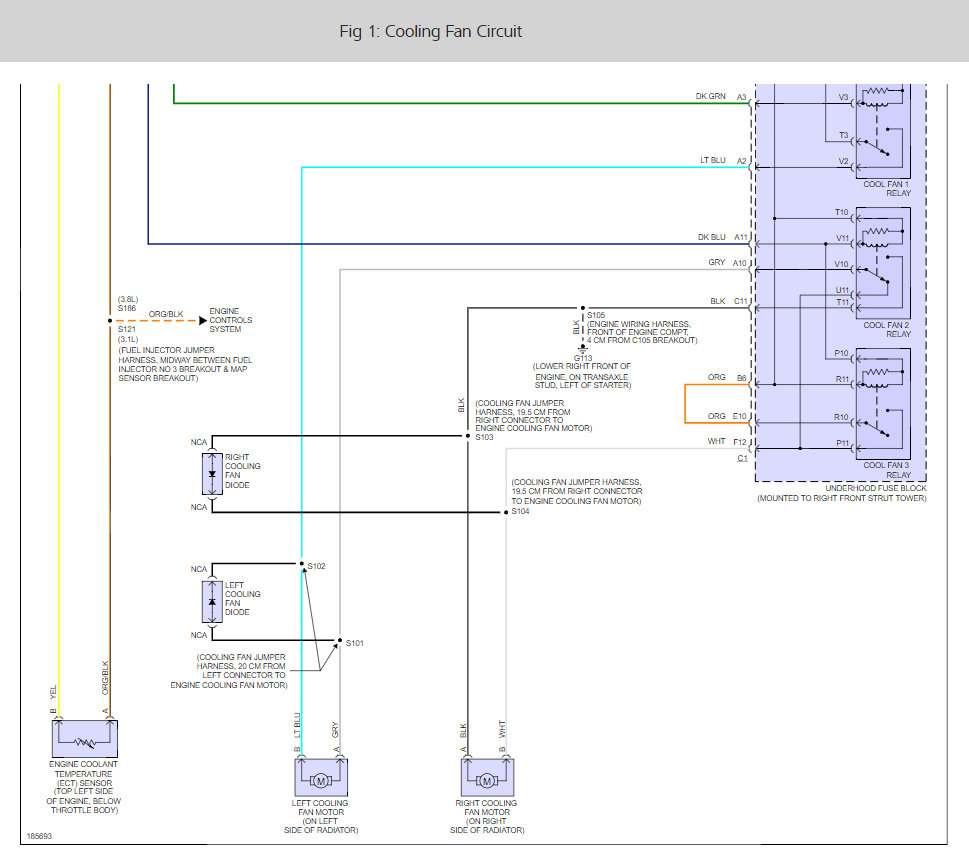
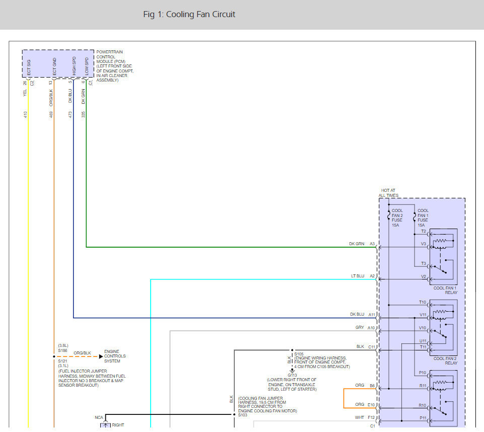
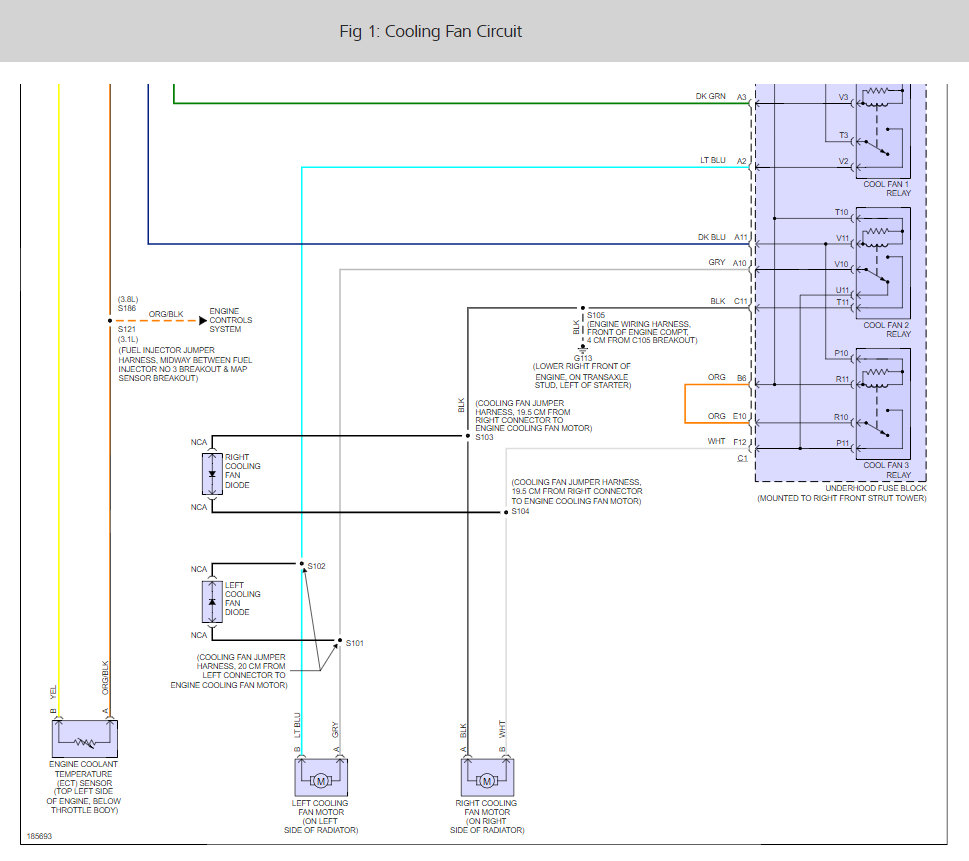
I would first by checking the fuses then the relays and then see if the fan motor is getting power and if so the motor will need to be replaced.
Here are some guides to get us started:
https://www.2carpros.com/articles/how-to-check-a-car-fuse
and
https://www.2carpros.com/articles/how-to-check-an-electrical-relay-and-wiring-control-circuit
and
https://www.2carpros.com/articles/how-to-use-a-test-light-circuit-tester
and
https://www.2carpros.com/articles/replace-electric-fan-motor
Please run some tests and get back to us so we can keep helping you.
Cheers, Ken
Images (Click to enlarge)
Sep 27, 2017 at 2:05 PM