Hi CMCQUIVE,
For a fault with the coolant temperature sensor, I believe you have typed in the wrong code. It should be P0480 and not as that shown in your question.
Each code is specific to the cause of the problem and in this case it does not mention the engine coolant temperature as possible cause so the possibility of it being faulty is not high.
To understand if the engine is running hot, a scan tool would allow you to read the coolant temperature of the engine. Guesswork is not a good idea for technical problems.
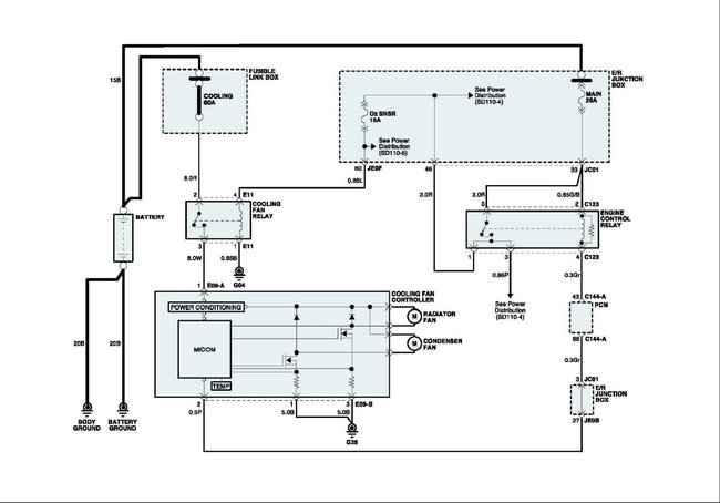
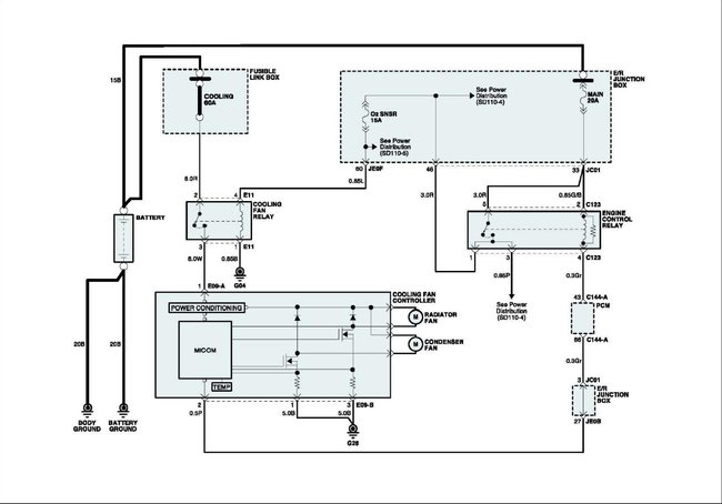
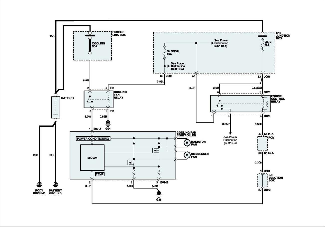
The attached diagram gives brief description of the problem and possible causes. Use the schematic diagram to find possible fault areas or components.
You have replace the fan relay and that leaves you with a few other possibilities.
One of the most common cause would be a bad connection or ground circuit which should have been checked in the first instance. If no fault had been found with the wiring circuit, that would leave you with the PCM to check next.
A missing power supply to the cooling fan would cause this as well. Check terminal 1 of cooling fan relay for battery voltage with ignition switch turned on. If voltage is not present,
Check if cooling fan fusible link 60A is open or not installed.
Check if cooling fan relay is not installed or faulty.
Check if the line between cooling fan relay and Cooling fan module is open.
Images (Click to enlarge)
Dec 19, 2020 at 9:56 AM
(Merged)