Where is the coolant temperature sensor located?

2008 SATURN OUTLOOK
230,000 MILES • 3.6L
Avatar
OLIVEOIL37767
  • MEMBER
  • 3 POSTS
Can't find the location of the coolant temperature sensor.
Apr 21, 2024 at 3:49 PM
Advertisement
Avatar
JACOBANDNICKOLAS
  • CERTIFIED EXPERT
  • 110,175 POSTS
Hi,

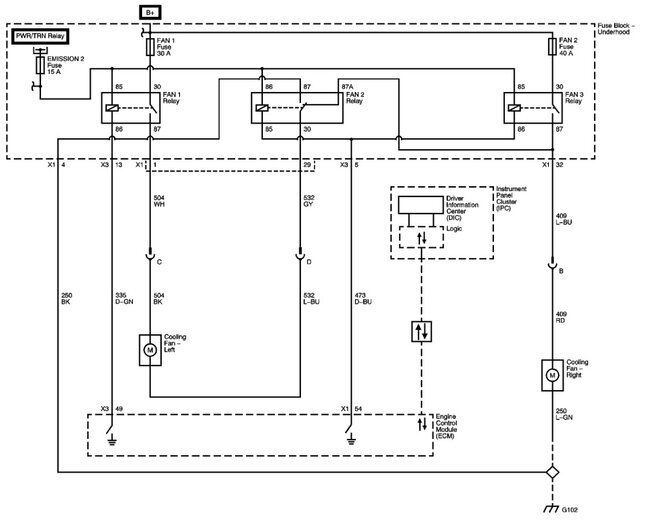
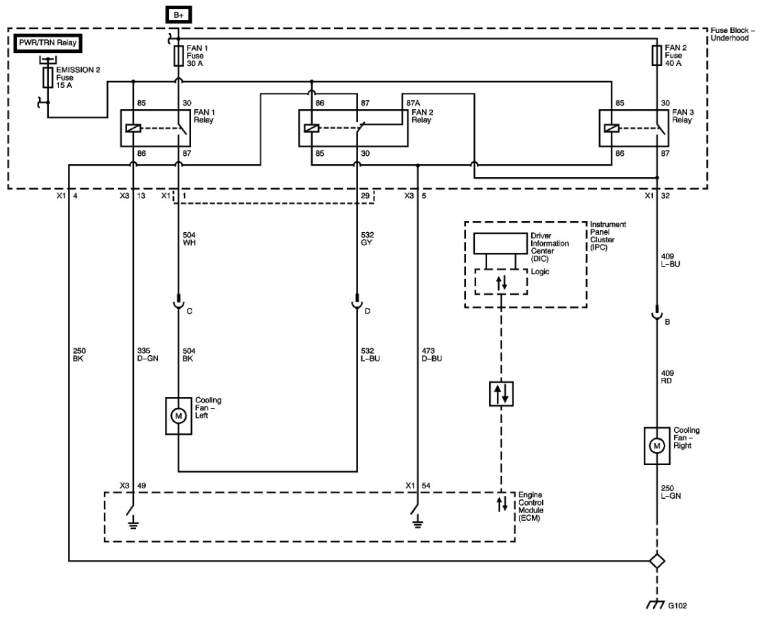
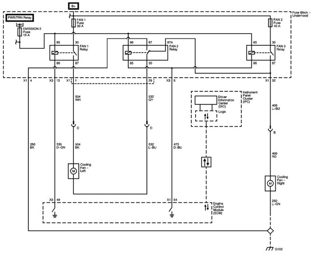
The coolant temperature sensor is located to the right of the alternator. See pic 1 below.

Also, I attached the directions for removing and replacing the sensor. Take a look through the directions and let me know if they help or if you have questions.

Take care,

Joe

See pics below.
Apr 21, 2024 at 6:40 PM
Avatar
STEVE W.
  • CERTIFIED EXPERT
  • 15,113 POSTS
It's on the front side of the engine, in the notched area of the exhaust manifold next to the alternator. Drain the cooling system (or rig up a way to keep it under vacuum) remove the old sensor, install the new one and tighten to 16 ft lb. Refill the system.

Might I ask why you think it's bad?
Apr 21, 2024 at 6:56 PM
Advertisement
Avatar
OLIVEOIL37767
  • MEMBER
  • 3 POSTS
Thank you so much, very helpful!
Apr 21, 2024 at 9:28 PM
Avatar
OLIVEOIL37767
  • MEMBER
  • 3 POSTS
The fan is not working and it keeps getting hot.
Apr 21, 2024 at 11:05 PM
Avatar
STEVE W.
  • CERTIFIED EXPERT
  • 15,113 POSTS
Okay, that could be a bad sensor, but it could also be a bad fan or fan relay. A quick test on many vehicles is to unplug the ECT with the engine running and see if the fans turn on. If you have access to a better scan tool that has bi-directional control you can usually test using it. So, if unplugging the sensor does turn on the fans it's more likely the sensor. If they don't turn on, then we need to dig deeper.
Apr 22, 2024 at 12:54 PM