What should the coolant temperature range be and when should the radiator fan come on?

2013 BMW 335
117,000 MILES • 6 CYL • TURBO • 2WD • AUTOMATIC
Avatar
BHAMDOC1973
  • MEMBER
  • 2,008 POSTS
Been reading conflicting reports on what should the coolant temperature range be and when should the fan come on.
Feb 8, 2023 at 6:15 PM
Advertisement
Avatar
STRAILER
  • CERTIFIED EXPERT
  • 53,854 POSTS
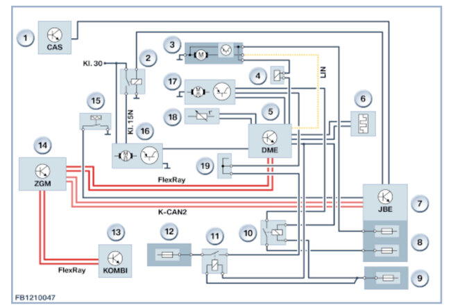
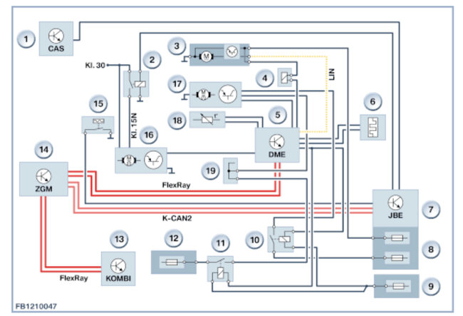
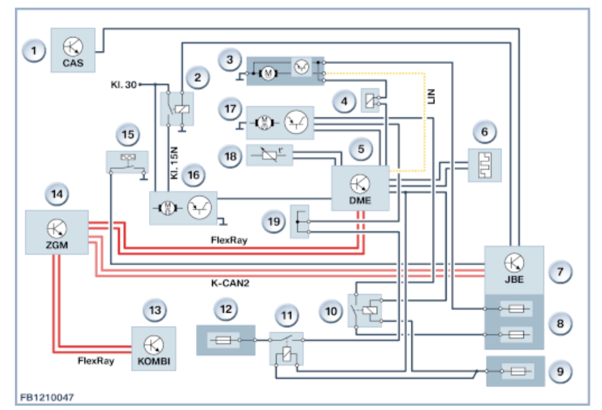
Here is how the cooling system and radiator fan works and also check out the images below:

Functional description
Behavior of the radiator fan
FUB-FUB-FB-110010-A11 - V.2

Noticeable symptoms: Behavior of the radiator fan
Complaint:

Noise from radiator fan after stopping the engine, even at low engine temperatures

Radiator fan runs at high speed after stopping the engine

Radiator fan runs at high speed when the engine is idling


Note:

This is a normal function of the radiator fan when the diesel particulate filter is being regenerated. Generally speaking, the radiator fan is switched on after the engine is stopped due to:

High engine temperatures

An active regeneration of the diesel particulate filter is underway
A successful regeneration occurs at exhaust-gas temperatures in excess of 500C. The regeneration cycle can also be active at low engine temperatures, when the engine is idling or after the engine is stopped. The engine fan must therefore run a high speed. The customer does not expect the fan to run after the engine has stopped.

Action:

A repair solution is not required. Renewing parts will not provide a remedy. Explain to the customer that the diesel particulate filter regeneration process means that the radiator fan has to run at a high speed.

For the cooling system with electric coolant pump, the possibilities of the conventional cooling system are exploited. The heat management determines the current cooling requirement and regulates the cooling system accordingly.

Under certain circumstances, the coolant pump can even be switched off completely, for example to heat up the coolant in the warm-up phase.

If the engine is not running but very hot, the coolant pump will also work with the engine at a standstill.

The cooling power can be requested independent of the engine speed. The heat management now means that, over and above the map thermostat, various characteristic maps can be used for control of the coolant pump. This enables the Digital Engine Electronics (DME) to adapt the coolant temperature to the driving characteristics.

The Digital Engine Electronics (DME) regulate the following temperature range:

Economy mode: 108C

Normal mode: 104C

High mode: 95C

High mode and control operation by characteristic map thermostat: 90C.

If the Digital Engine Electronics (DME) detects the economical operating range "Economy" due to the driving characteristics, the DME regulates to a higher temperature (108C). In this temperature range, the engine is operated with a relatively fuel requirement. The friction inside the engine is reduced at higher temperatures. The temperature increases thus favors the lower fuel consumption in the low load range. In the mode "High and control by the characteristic map thermostat" mode, the driver wants to use the optimized power output development of the engine. To allow this, the temperature in the cylinder head is lowered to 90C. This reduction leads to better cylinder filling, which increases the torque of the engine. The Digital Engine Electronics (DME) can now regulate to a certain operating range adapted to each driving situation.

Check out the images (below). Please let us know if you need anything else to get the problem fixed.
Feb 9, 2023 at 11:07 AM
Avatar
BHAMDOC1973
  • MEMBER
  • 2,008 POSTS
All i need is the temperatures, i don't think any of this is helpful.
Feb 9, 2023 at 11:17 AM
Advertisement
Avatar
STRAILER
  • CERTIFIED EXPERT
  • 53,854 POSTS
Economy mode: 108C

Normal mode: 104C

High mode: 95C
Feb 10, 2023 at 1:21 PM
Avatar
BHAMDOC1973
  • MEMBER
  • 2,008 POSTS
Yes, it goes up to 110 then drops down while idling.
Feb 10, 2023 at 1:22 PM
Avatar
STRAILER
  • CERTIFIED EXPERT
  • 53,854 POSTS
okay, do you need any other help?
Feb 11, 2023 at 10:44 AM