Engine temperature sensor location?

2009 FORD RANGER
100,000 MILES • 2.3L • 4 CYL • 2WD • AUTOMATIC
Avatar
PLOPPOL
  • MEMBER
  • 1 POST
Where is the engine temperature sensor located I need to replace it?
Jun 19, 2019 at 12:05 PM
Advertisement
Avatar
JACOBANDNICKOLAS
  • CERTIFIED EXPERT
  • 110,175 POSTS
Welcome to 2CarPros.

Removal and Installation

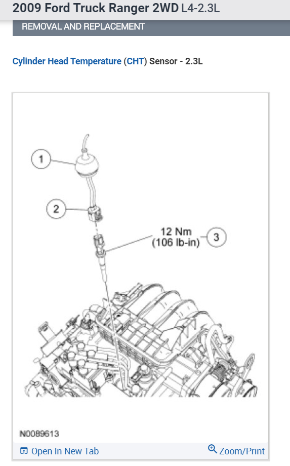
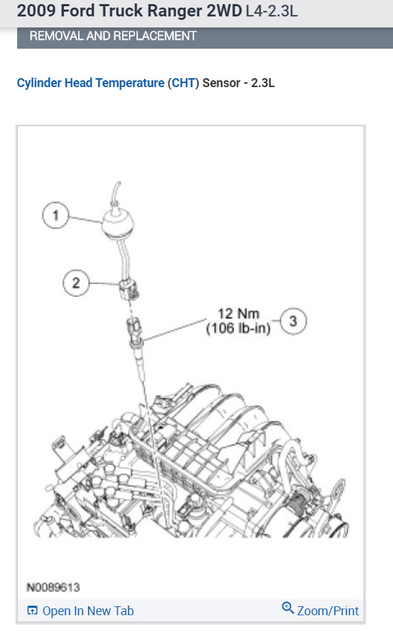
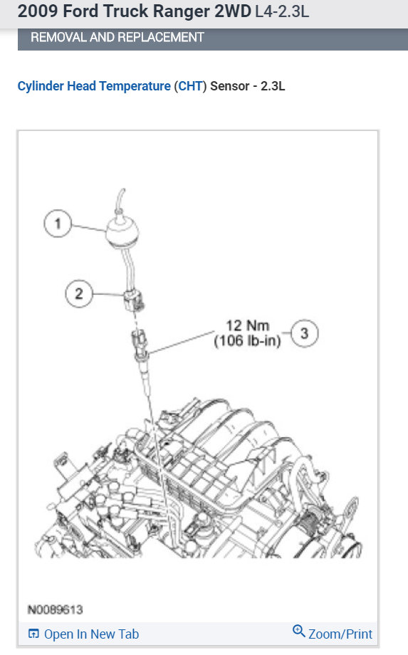
1. Pull back the Cylinder Head Temperature (CHT) sensor cover and disconnect the electrical connector.

2. Remove the CHT sensor.
- To install, tighten to 12 Nm (106 lb-in).

3. To install, reverse the removal procedure.he temp sensor for the computer is located in the cylinder head.

Check out the diagrams (Below). Please let us know if you need anything else to get the problem fixed.

Jun 19, 2019 at 11:01 PM
Avatar
BOB WAGSTROM
  • MEMBER
  • 2 POSTS
Electrical problem
2001 Ford Ranger 4 cyl Two Wheel Drive Manual

The gauge does not register the temperature, it is always at zero.
Oct 28, 2020 at 1:57 PM (Merged)
Advertisement
Avatar
RASMATAZ
  • CERTIFIED EXPERT
  • 75,992 POSTS
Inspect and test the engine coolant temperature sender and also the engine coolant temperature sensor to include the wiring-if it checks out the temperatue gauge needs replacement
Oct 28, 2020 at 1:57 PM (Merged)
Avatar
BOB WAGSTROM
  • MEMBER
  • 2 POSTS
Where is the temperature sender?

Bob
Oct 28, 2020 at 1:57 PM (Merged)
Avatar
RASMATAZ
  • CERTIFIED EXPERT
  • 75,992 POSTS
On a 2.3L its on top right front of engine-No pic available 2.5L


https://www.2carpros.com/forum/automotive_pictures/12900_temperature_sender_25L_1.jpg

Oct 28, 2020 at 1:57 PM (Merged)
Avatar
KITTYKAT43
  • MEMBER
  • 1 POST
where is it located and how do you replace it?
Oct 28, 2020 at 1:58 PM (Merged)
Avatar
JACOBANDNICKOLAS
  • CERTIFIED EXPERT
  • 110,175 POSTS
Hello,

The cylinder temperature head sensor is on top of the engine. Check out the diagrams (Below). Please let us know if you need anything else to get the problem fixed.

Cheers
Oct 28, 2020 at 1:58 PM (Merged)
Avatar
JOESTORRE
  • MEMBER
  • 3 POSTS
Thermostat was stuck open, so replaced it and cleaned up sensors. Now forgot which is which, sensor with a cylinder tip - sender? Sensor with a pointed tip - sensor for pcm? Also need to know the bank location they sit on top of the plastic thermostat housing and which plug to connect, one has 4.5 volts and other has 10.5 volts to it. Could I have also damaged a sensor connecting the wrong plug to it?Thank you for your time and any help.
Oct 28, 2020 at 1:58 PM (Merged)
Avatar
WRENCHTECH
  • CERTIFIED EXPERT
  • 20,761 POSTS
The computer sensor will have a Gy/Rd and a Lg/Rd wires

Here is a guide to help

https://www.2carpros.com/articles/coolant-temperature-sensor-cts-replacement

Check out the diagrams (Below). Please let us know if you need anything else to get the problem fixed.

Cheers
Oct 28, 2020 at 1:58 PM (Merged)
Avatar
JOESTORRE
  • MEMBER
  • 3 POSTS
I'm the third owner, and there's been a plug replaced both of orange color and both will fit each sensor.
Oct 28, 2020 at 1:58 PM (Merged)
Avatar
JOESTORRE
  • MEMBER
  • 3 POSTS
I'm sorry wire colors explain, but was I right on the sensor identification? Also what are the bank locations. Thank you again for your replies.
Oct 28, 2020 at 1:58 PM (Merged)
Avatar
KHLOW2008
  • CERTIFIED EXPERT
  • 41,814 POSTS
The sending unit is usually the one that is smaller at the tip so most probably you got it in reverse. Ohmming them out should give you an idea, ECT very high resistance whereas the sending unit would have low resistance (ohms).
Oct 28, 2020 at 1:58 PM (Merged)
Avatar
2BOSS'S
  • MEMBER
  • 3 POSTS
Engine problem
1999 Ford Ranger 6 cyl Four Wheel Drive Automatic 125,xx miles
----------------------------------------------------------------
Would a bad coolant temperature sensor cause the engine to run lean on banks one and two? if so, where are these located on my truck.

thanks
Oct 28, 2020 at 1:59 PM (Merged)
Avatar
MASTERTECHTIM
  • CERTIFIED EXPERT
  • 4,750 POSTS
no it would not. i bet you have a vacuum leak right under the throttle body, ive seen 2 of these trucks with this exact problem. you will hear a hiss noise when its running. the rubber elbow that fails is about the size of your finger at a right angle. let me know when this fixes it. thanks
Oct 28, 2020 at 1:59 PM (Merged)