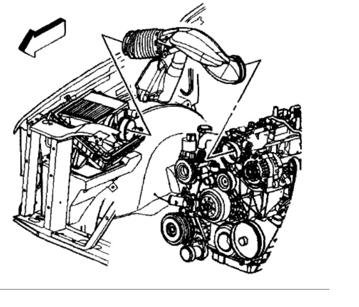
I have a coolant leak about the size of a brake line, that runs from head to head, in the top front of the engine.
I cannot find it online and it is leaking too bad to take it anywhere.
If I could just get the correct name.
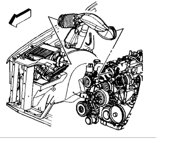
I cannot find it online and it is leaking too bad to take it anywhere.
If I could just get the correct name.
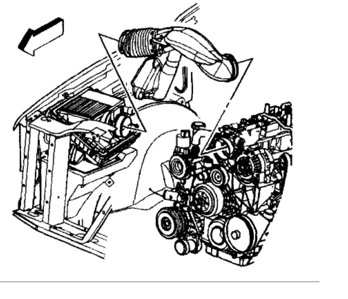
Oct 2, 2017 at 6:34 AM






