Hi and thanks for using 2CarPros.com.
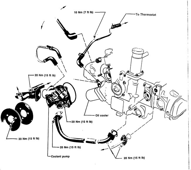
I am not familiar with a second reservoir. I have attached four pictures of the system for you to look through. They are exploded views of the system and components. I will tell you that there was a technical service bulletin indicating that the water pump may leak very small amounts of coolant onto the sensor which can lead to the light being on. Picture 5 is one I am not familiar with, but take a look at it and see if that helps. Picture 6 is the one I am familiar with.
Additionally, here are a couple links which describe temperature sensor issues as well as how to pressure test a cooling system to find a leak:
https://www.2carpros.com/articles/symptoms-of-a-bad-coolant-temperature-sensor
https://www.2carpros.com/articles/radiator-pressure-test
Let me know if this helps or if you have other questions.
Take care,
Joe
Images (Click to enlarge)
Aug 7, 2018 at 8:29 PM