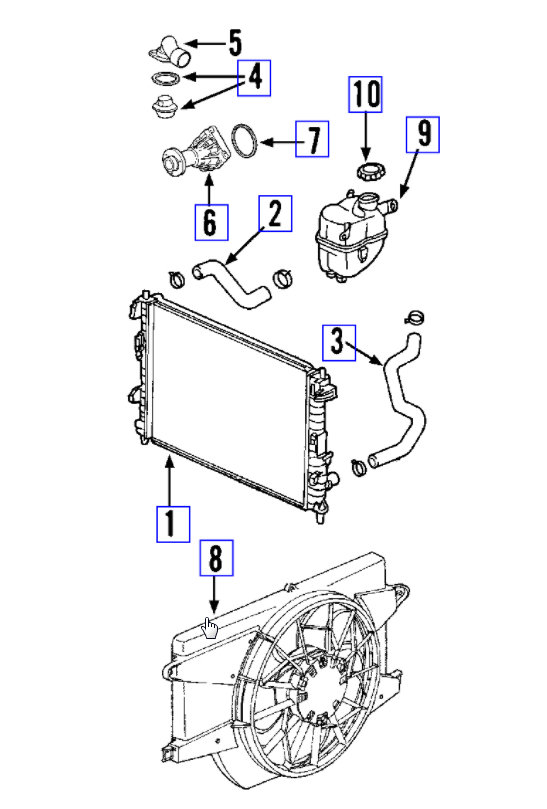
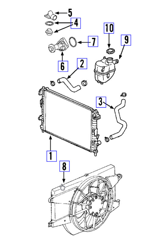
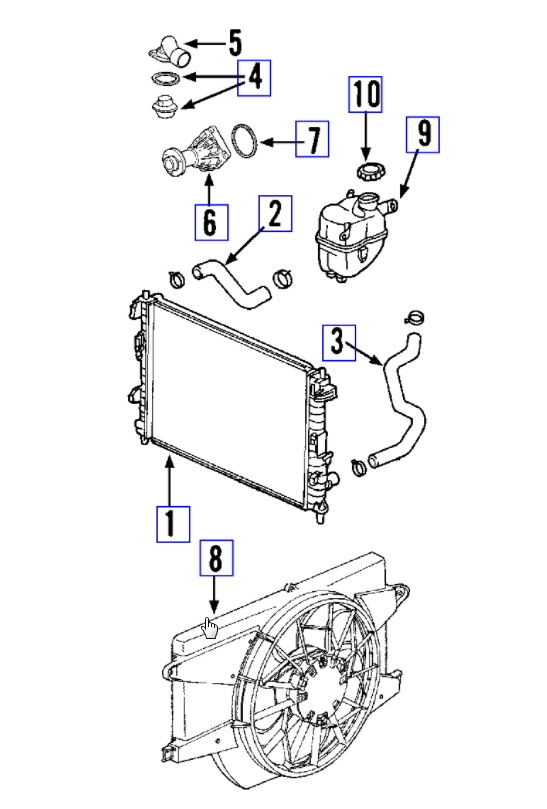
I have a coolant leak and it is practically pouring out I used a whole bottle. Why is this happening? I also noticed that the coolant bleeder valve is broken. It is made of plastic shaped like a letter T both sides where broken off. Could that be why my coolant is pouring out? Here is the part I am talking about. It had blue tube attached to the bottom I believe, but my daughter said it was green I do not know if that makes a difference.
Apr 23, 2018 at 3:21 PM



