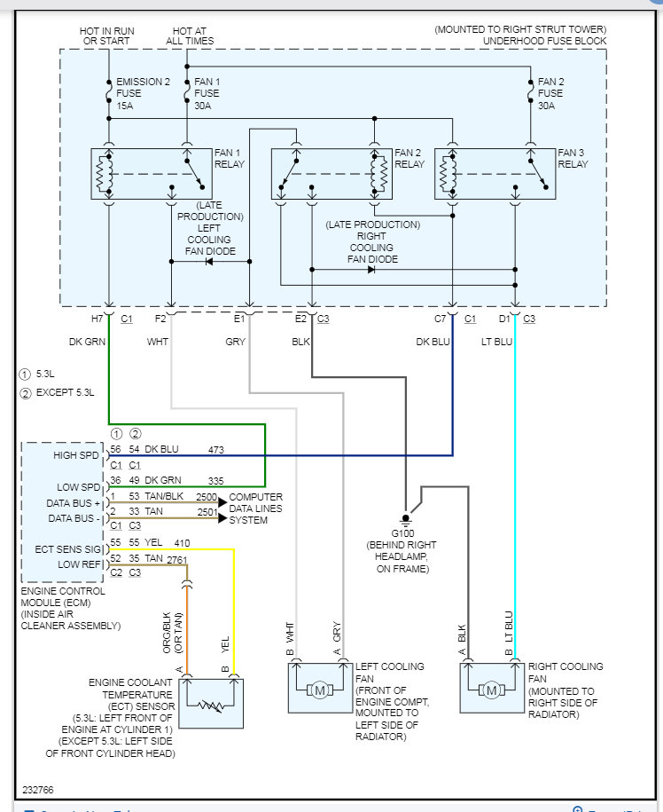
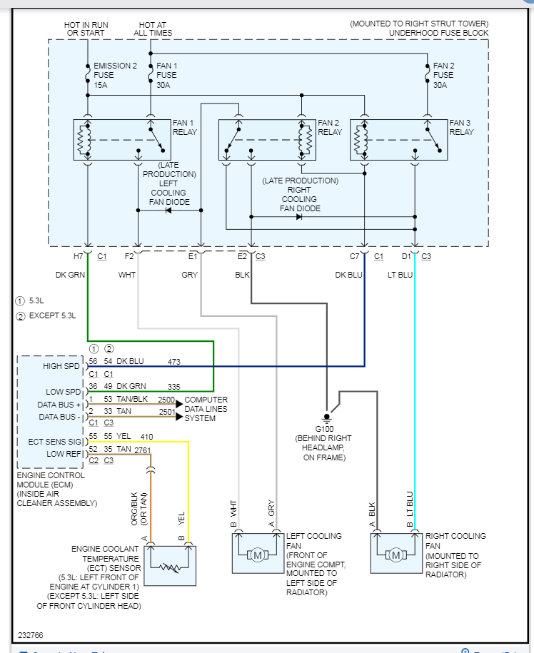
My fan relays are bad, but they are $25.00 per relay. I am a single mom of 2 so I don't have the money right now to get new ones. I need to run a jumper to make the fans run. I have a blue, grey, black, and white wires. Which are hot and which ones aren't?
Feb 22, 2020 at 10:19 AM

