Convertible top will not latch

1999 MERCEDES BENZ CLK320
130,000 MILES • 0.5L • V6 • 2WD • AUTOMATIC
Avatar
THEANDERSON1
  • MEMBER
  • 1 POST
Convertible top did not latch completely when top went down. The power button switch flashes and does not work. The key truck release has also been disabled. I can enter the trunk using the key.

Car is 3.2L

Possible manual fix?
If not is there an estimate to how much it would be to fix this problem?
Oct 17, 2019 at 7:05 PM
Advertisement
Avatar
STRAILER
  • CERTIFIED EXPERT
  • 53,854 POSTS
Hello,

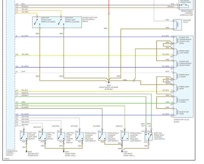
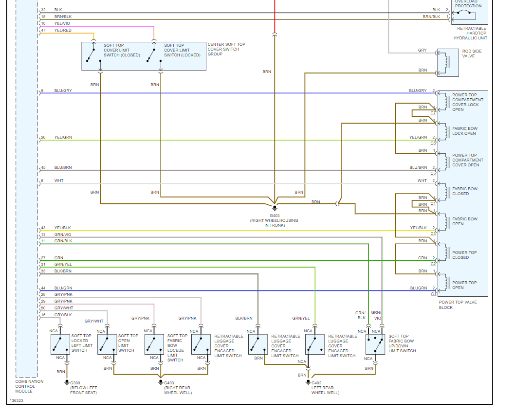
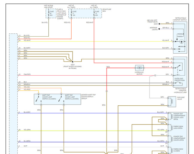
There are limit switch and fuses that need to be checked. here is the convertible top wiring diagrams so you can see how the system works and which fuses to check this guide will help:

https://www.2carpros.com/articles/how-to-check-a-car-fuse

See if you can manually push down on the top to get it to latch.

Check out the diagrams (below). Please let us know what you find. We are interested to see what it is.
Oct 19, 2019 at 12:46 PM