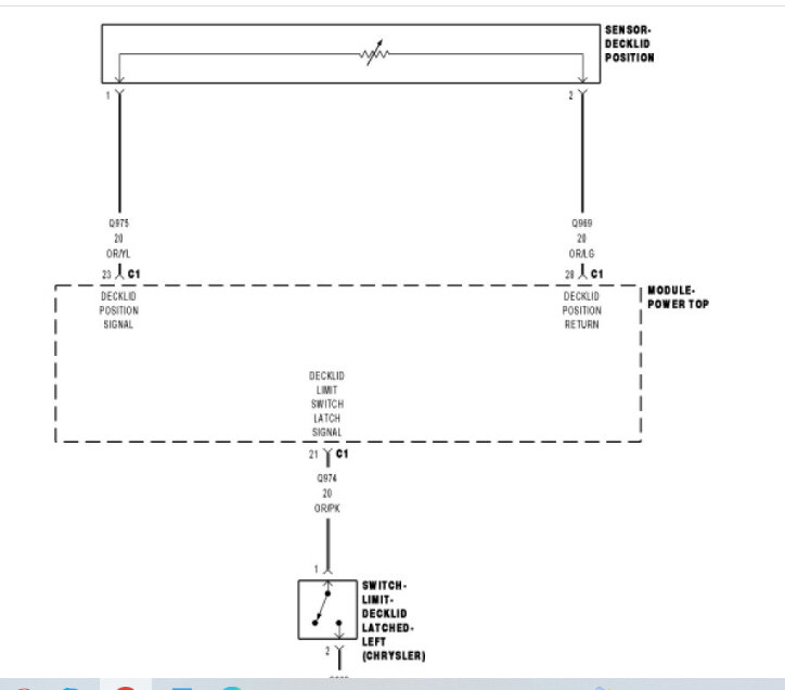
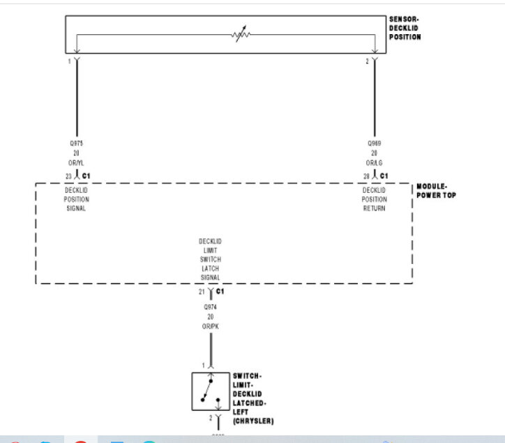
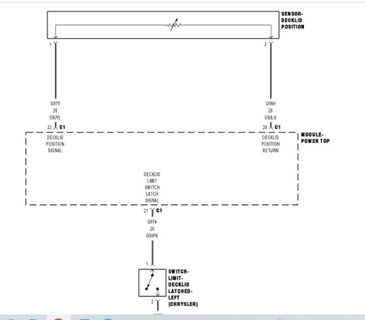
The top in my car listed above won't work and is saying convertible top malfunction when i press the button. The trunk button also doesn’t work (I'm not sure if that is connected to the problem). I used an obd2 scanner to read the codes on the PTCM but i am not sure what the issue could mean. I’ll put the screenshot below. Does anyone know what could be the issue?
Aug 12, 2023 at 11:34 AM























