convertible top issue?

2005 BMW Z4
145,000 MILES • 2.5L • 6 CYL • 2WD • AUTOMATIC
Avatar
BHAMDOC1
  • MEMBER
  • 100 POSTS
Had issues with windows, blinkers and other electronics not working, disconnected the air bag module and all came back except the top. Not sure if the top even works, but when pressing the button the light should flash or come on, red or orange, but noting is lighting up. Checked fuses 12, 31, and 55 and they are good, I see 2 purple relays and I assume they are for the top, swapped them around still nothing, how to check for power on back of the panel, I see one large harness and a smaller one, panel has buttons for TPMS, DTC, heated seats, all work and light up
Apr 15, 2026 at 7:30 AM
Advertisement
Avatar
BHAMDOC1
  • MEMBER
  • 100 POSTS
Latch motor up front i removed the cover with ignition on both wires show ground.
Apr 15, 2026 at 8:30 AM
Avatar
STRAILER
  • CERTIFIED EXPERT
  • 53,854 POSTS
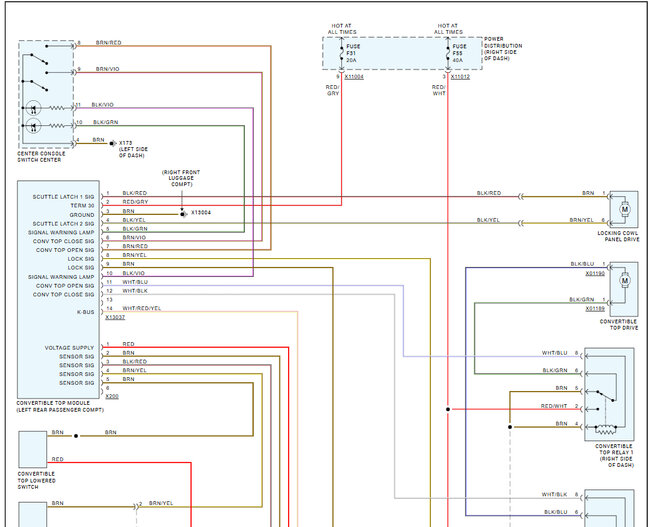
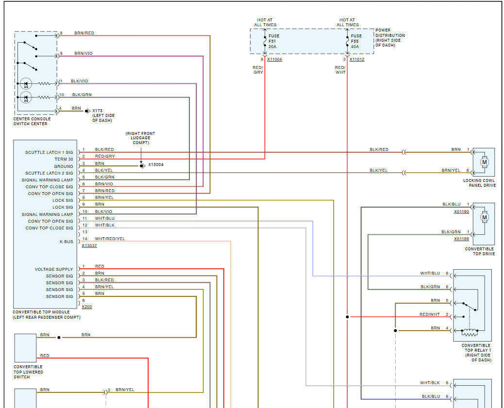
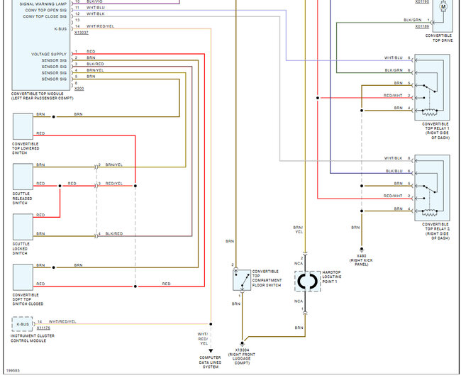
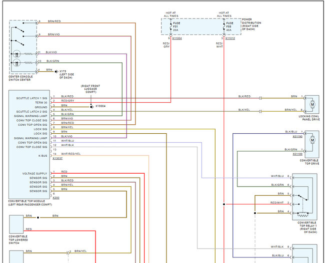
It sounds like the convertible top control module is bad but we need to remove the electrical connectors and check for corrosion which is a big issue in these cars. Here is the wiring diagrams so you can see how the system works and the location of the module so you can check it out and the fuses that run the system as well. You can see by the location that water can be an issue. Check out the images (below). Let us know how it goes




Apr 16, 2026 at 9:11 AM
Advertisement