Convert HID assembly to Halogen Headlight assembly?

2012 VOLVO S60
86,000 MILES • 3.0L • 6 CYL • TURBO • 4WD • AUTOMATIC
Avatar
CJBOCHY5016
  • MEMBER
  • 3 POSTS
My car came stock with HID headlight assembly, if I were to buy Halogen assemblies would it be plug and play or what modifications would I need to do? The ballasts keep frying due to bad headlight assembly cracks, I've tried finding a replacement but don't have the funds for $700.00 headlight assemblies.
Mar 20, 2023 at 5:23 PM
Advertisement
Avatar
STEVE W.
  • CERTIFIED EXPERT
  • 15,113 POSTS
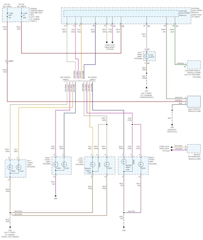
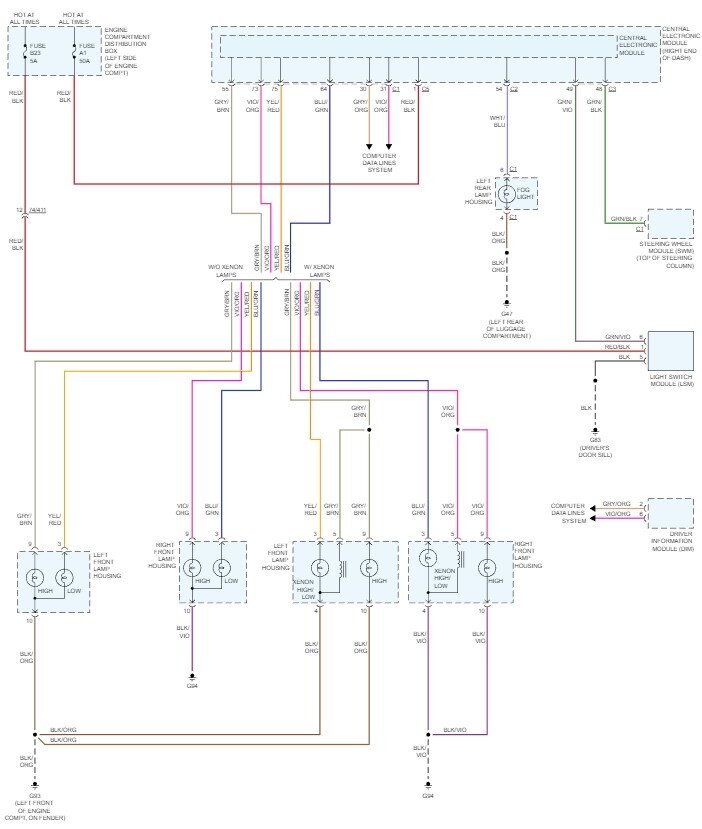
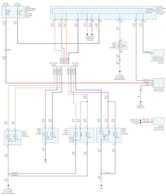
They would be mostly plug and play, but you would need the factory lights for everything to fit. You would end up with a couple extra wires as the violet and gray will only need a single wire for the other lights see the attached wiring diagram and pin 5 on each side. I suspect they will still plug into the halogens with an empty spot for those pins.
Mar 20, 2023 at 5:54 PM
Avatar
CJBOCHY5016
  • MEMBER
  • 3 POSTS
So, in general, I should be okay to do so? And the factory lights you speak of is that the bulbs or the assembly?
Mar 20, 2023 at 6:08 PM
Advertisement
Avatar
STEVE W.
  • CERTIFIED EXPERT
  • 15,113 POSTS
You need the entire assembly. They are different in the way they focus and aim so you need the entire unit.
Mar 20, 2023 at 6:58 PM
Avatar
CJBOCHY5016
  • MEMBER
  • 3 POSTS
Awesome, thank you.
Mar 20, 2023 at 6:59 PM