Controls on dashboard and all lights flickering

2000 MERCEDES BENZ S500
165,000 MILES • 8.0L • V8 • RWD • AUTOMATIC
Avatar
DWAYNE ROBINSON
  • MEMBER
  • 1 POST
Flickering interior and exterior lights and headlights. Mostly when it rains. Off and on.
Jun 3, 2017 at 5:45 PM
Advertisement
Avatar
STRAILER
  • CERTIFIED EXPERT
  • 53,855 POSTS
Hello,

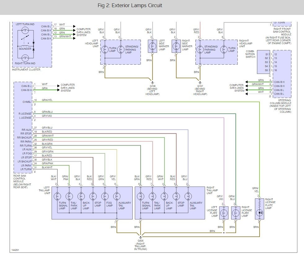
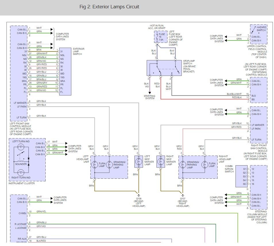
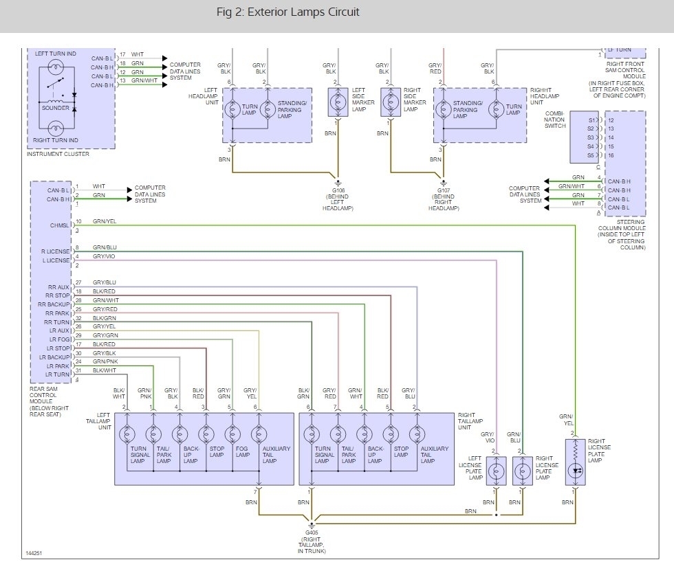
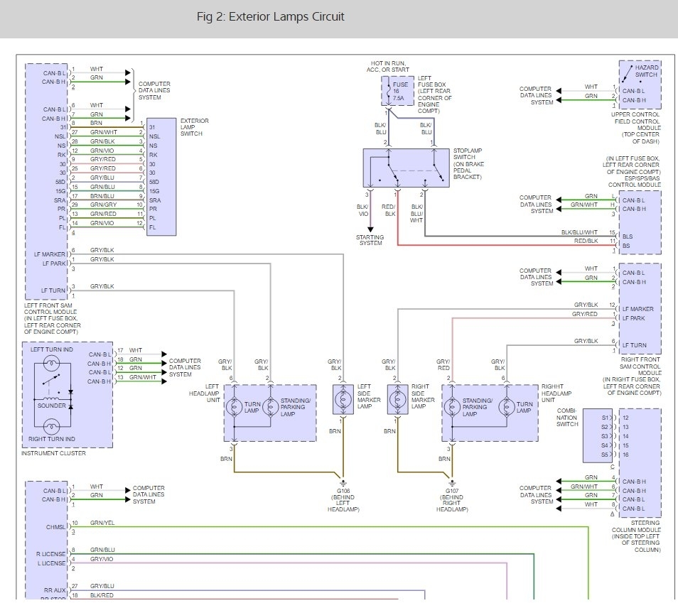
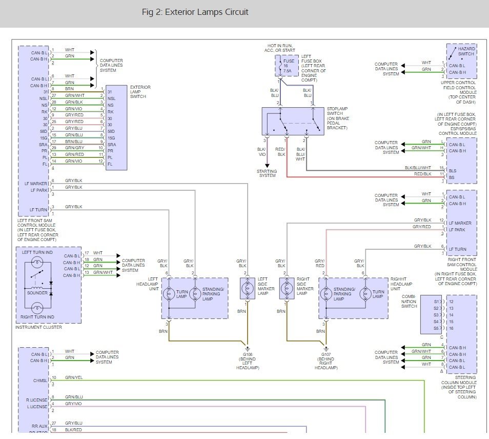
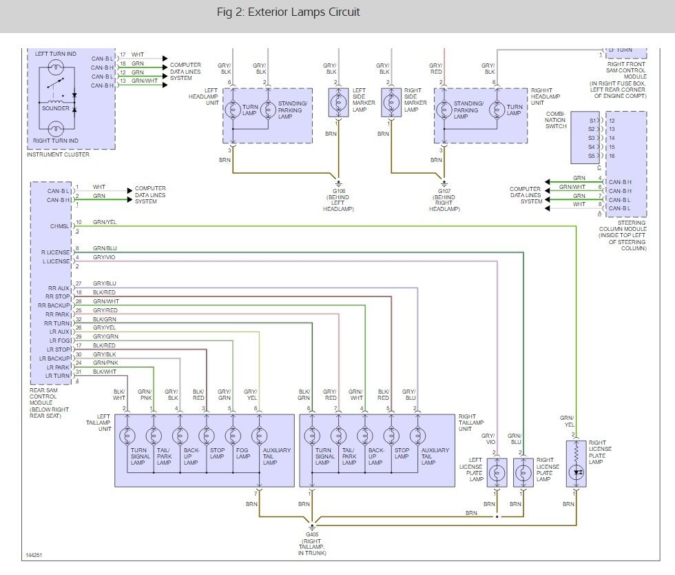
It sounds like one of two things is happening, Either the system has a bad ground or the lighting computer or SAM is starting to go out. Here is a wiring diagram and a guide so you can do some testing to figure out which one it is.

https://www.2carpros.com/articles/how-to-check-wiring

Please run some tests and get back to us so we can continue helping you.

Cheers, Ken
Jun 6, 2017 at 2:09 PM