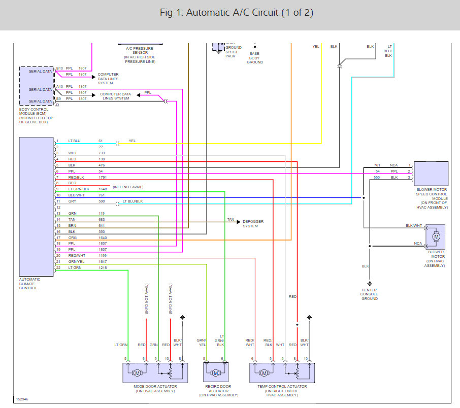
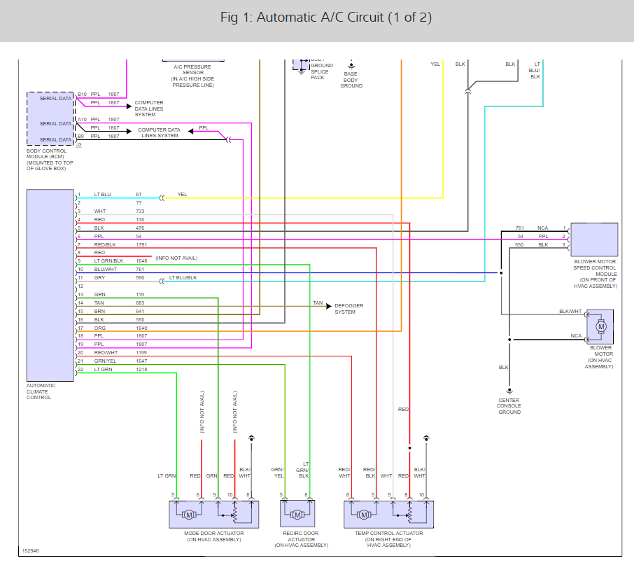
I have automatic climate control. dial a temperature anywhere between sixty and ninety degrees. Whether on auto or manual, I only get two temperatures, full hot or full cold. Same for A/C. Other than controlling temperatures, heat and A/C work fine. I replaced the dash unit, same. It is as if the blend door is fully open or fully closed, nothing in between. Suggestions?
Thanks,
Bill
Age 68
Ohio
Thanks,
Bill
Age 68
Ohio
Jan 10, 2018 at 12:27 PM


