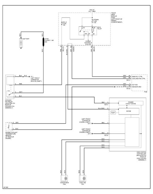
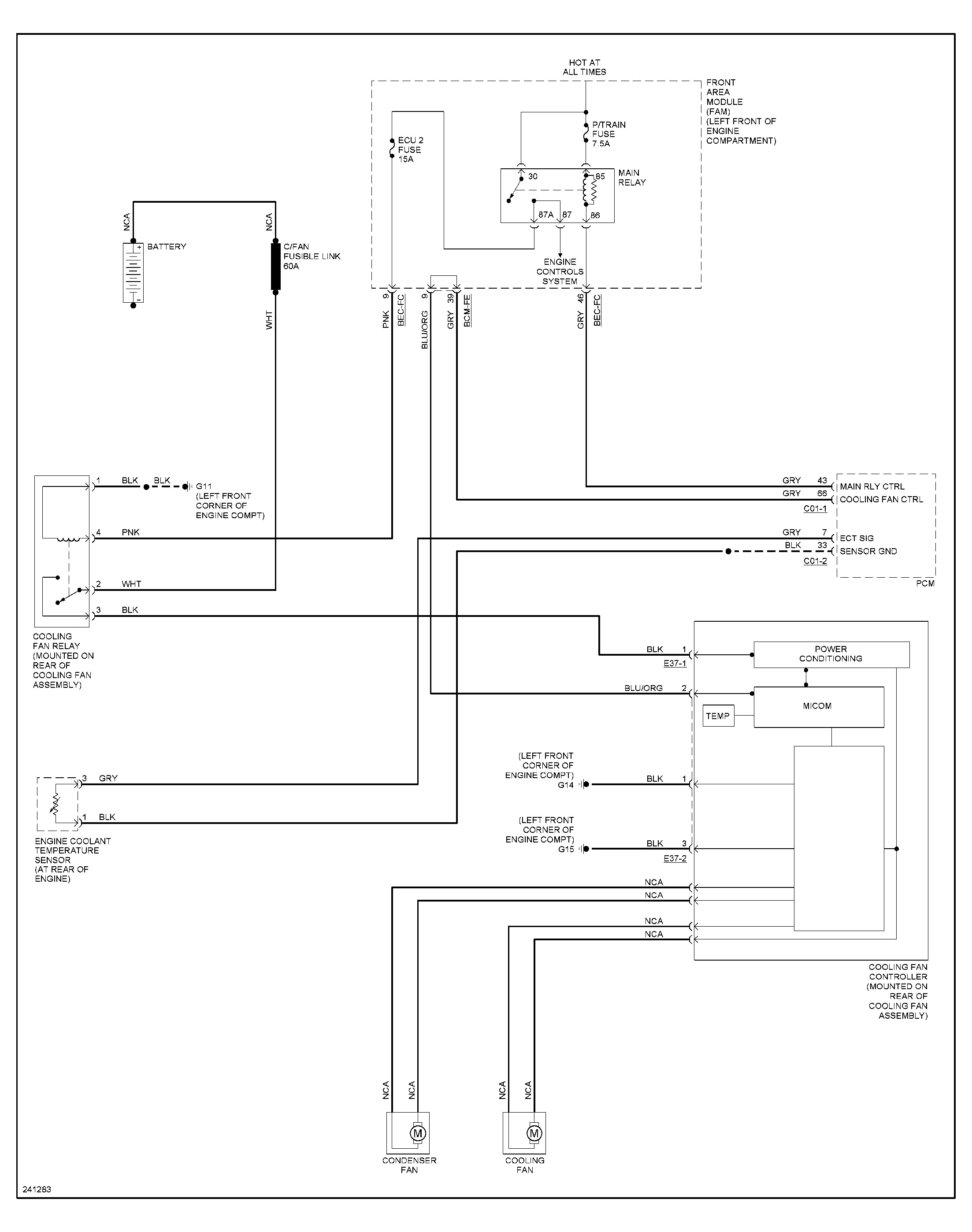
I GRABBED YOU A "COOLING FAN CIRCUIT" DIAGRAM
IT SHOWS THE WORKS!
IT SHOW THE LOCATIONS OF ALL OF THE PARTS
I'D INVESTIGATE THE POSSIBILITY OF A "RELAY" BEING STUCK IN THE "ON" POSITION
THIS SOMETIMES HAPPENS, AS OVER TIME, THE LITTLE SPARK FROM THE CONTACTS TOUCHING OVER AND OVER WILL SORTA "WELD" THEM TOGETHER
IF YOU CAN FIND A "TWIN" TO THE ONE(S) IN QUESTION (FICTITIOUS EXAMPLE: PWR WINDOWS)- SIMPLY SWAP 'EM AND SEE IF THE PROBLEM PERSISTS
EVEN IF THIS AIN'T YOUR FIX, THE DIAGRAM MAY SHED LIGHT ON THE REAL PROBLEM
THE MEDIC
Apr 28, 2014 at 8:31 PM