Hi,
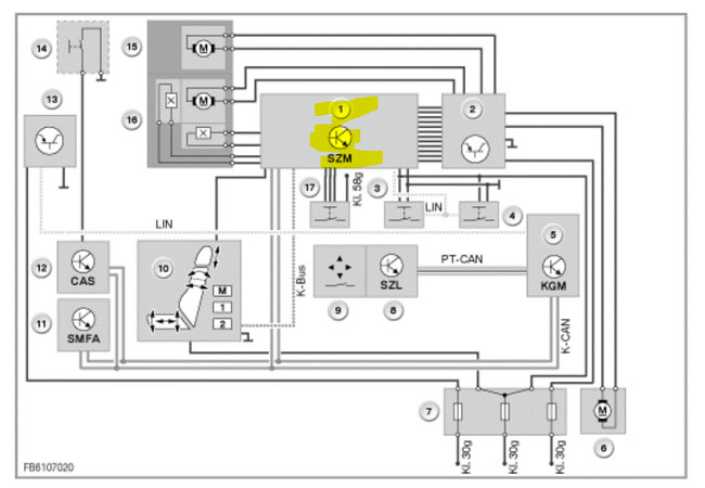
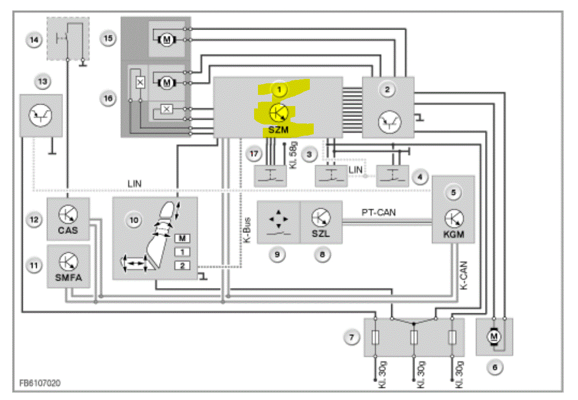
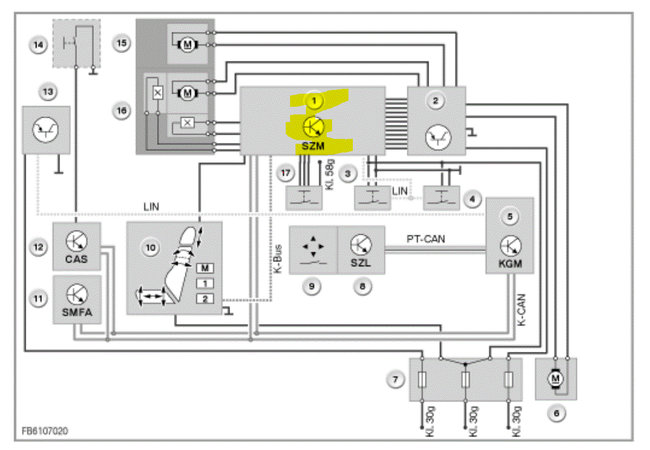
Based on the part number, that is the center console switch cluster control module. The center console switch cluster control module is located in the carrier behind the glove compartment.
The control module sends the status of each button in the blocks on the driver's and passenger's side across the K-CAN to the control module responsible. The center console switch cluster control module contains the software for activation of the electrical steering column adjustment and of the roller sunblind.
Let me know if that helps.
Joe
See pics below.
Images (Click to enlarge)
Mar 16, 2022 at 8:02 PM