My radiator fan has not been turning on?

2001 MERCEDES BENZ C320
150,560 MILES • 3.2L • V6 • AUTOMATIC
Avatar
CJDURAN515
  • MEMBER
  • 9 POSTS
My fan has not been turning on, I had the radiator and condenser replaced due to a fender bender and had accidentally dropped the fans electrical connector into the coolant drain pan. How do I replace it?
Sep 28, 2022 at 10:37 PM
Advertisement
Avatar
STRAILER
  • CERTIFIED EXPERT
  • 53,854 POSTS
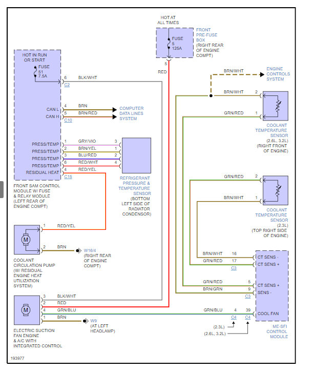
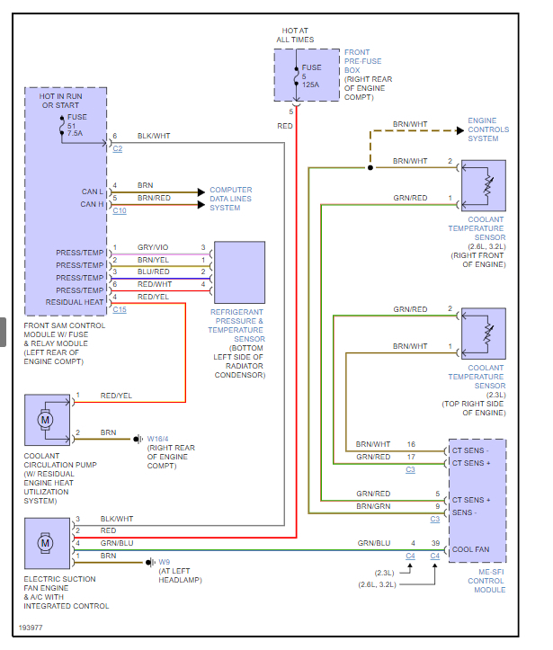
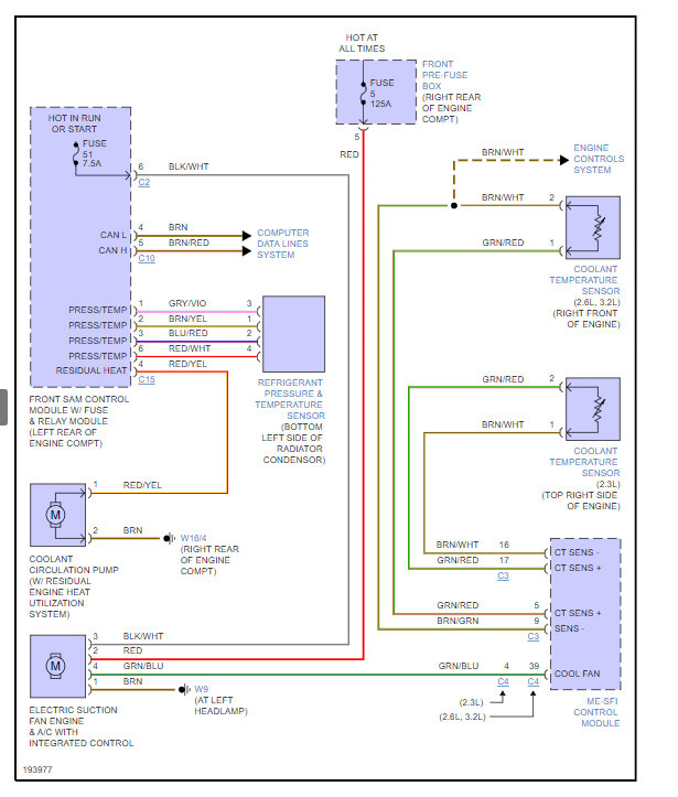
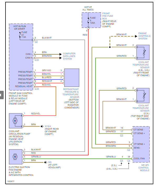
Did the connector break? If not, you can just clean the connector and it should be fine. Here is the wiring diagram so you can see how the fan cooling system works to turn on the fan motors. Also check the fuse #5 on the right side of the engine bay fuse panel.
Sep 30, 2022 at 10:32 AM
Avatar
CJDURAN515
  • MEMBER
  • 9 POSTS
The connector did not break, but the fan no longer works tested it with test leads to the battery and the fan is fine. I don’t really know what else it could be.
Oct 3, 2022 at 11:19 PM
Advertisement
Avatar
STRAILER
  • CERTIFIED EXPERT
  • 53,854 POSTS
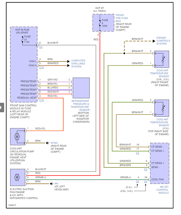
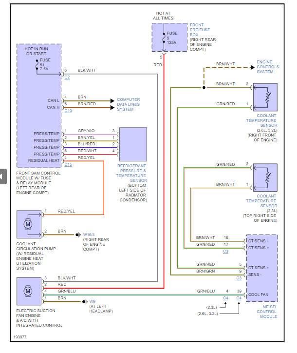
Usually, it will be the fan controller which is near the rear of the engine compartment. here is the location and the wiring diagrams so you can see how the system works. Also, please check the fuse # 5, 125 amp in the fuse panel right rear of engine compartment. Here is the location on the ME SFI control unit to see if you have any burned connections.

https://www.2carpros.com/articles/how-to-check-a-car-fuse

Check out the images (below). Please let us know what you find. We are interested to see what it is.
Oct 4, 2022 at 2:37 PM