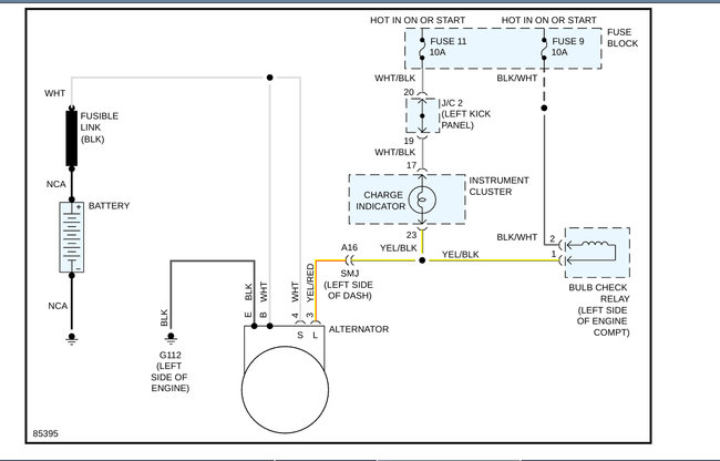
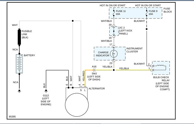
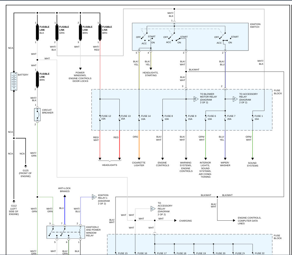
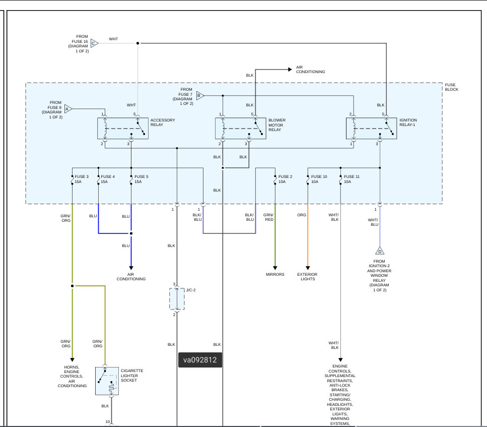
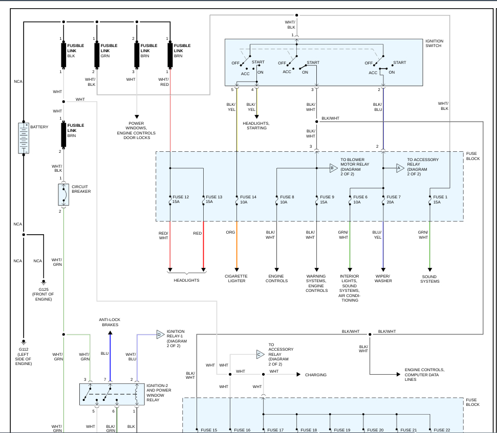
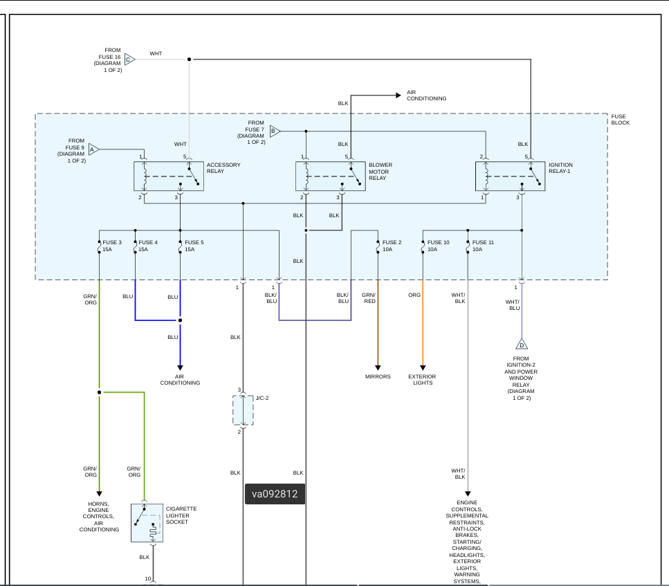
Bought the truck listed above. Replaced the battery but need to clean connections, replace connectors, but there are about 5 connections and clips at my positive terminal. How to remedy this, find out what they are and how to organize them better and replace the connector.
Feb 7, 2020 at 9:29 AM





