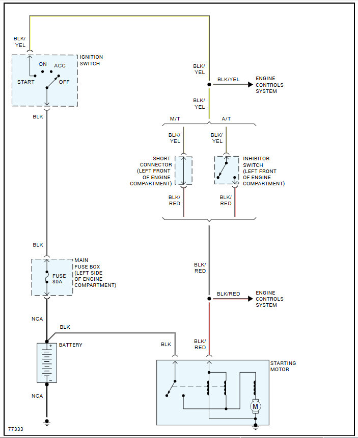
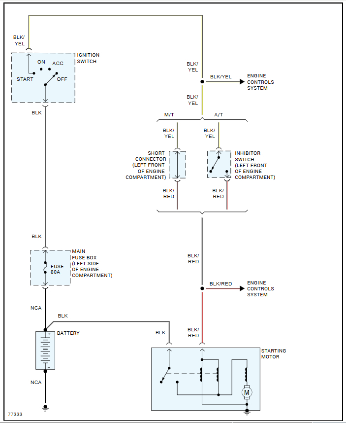
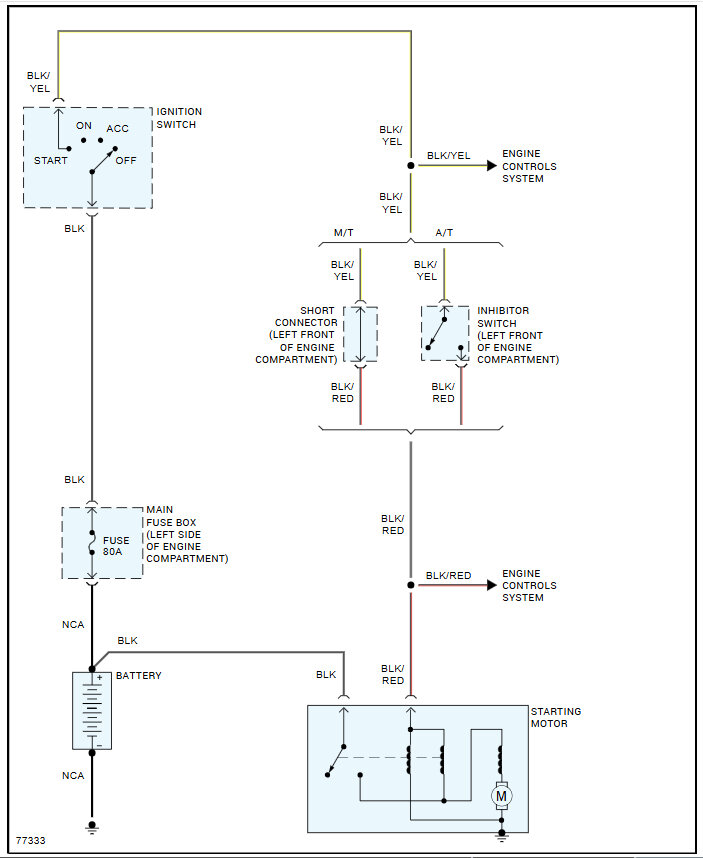
I have the vehicle listed above FWD, 3 door, 5sp. Battery is working and electrical systems come on when attempting to start the car. I looked underneath the dash to find the clutch safety/inhibitor switch. The connector coming from the switch is not connected to anything and is floating at the moment. I don't know where it's supposed to go or what other wires/connections/plugs I might be missing. Any info on diagrams or parts would be greatly appreciated.
Dec 9, 2024 at 2:24 PM







