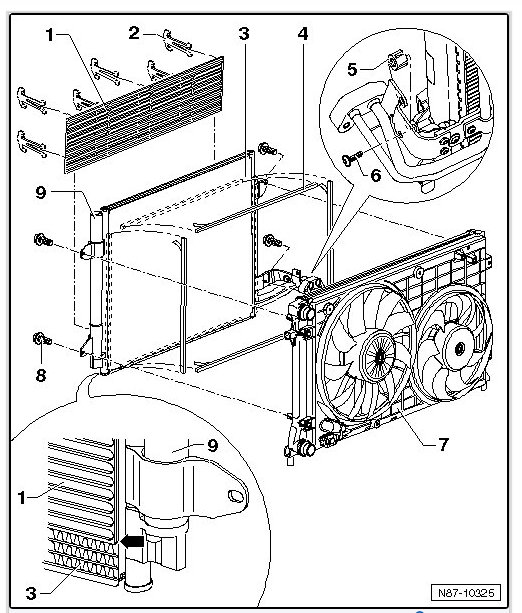
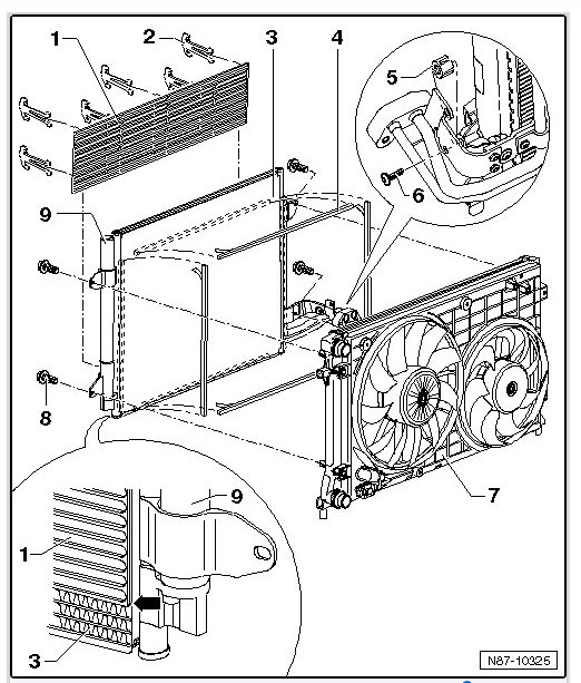
Condenser removal

2008 VOLKSWAGEN RABBIT
135,000 MILES • AUTOMATIC
Avatar
MONEYSAM83
  • MEMBER
  • 32 POSTS
Hey, i am curious of how you get the condenser out.
Sep 11, 2019 at 10:15 AM
Advertisement
Avatar
DANNY L
  • CERTIFIED EXPERT
  • 5,648 POSTS
Hello, I'm Danny.

You are going to have to evac and recharge the system so here are some guides that will help with this:

https://www.2carpros.com/articles/re-charge-an-air-conditioner-system

https://www.2carpros.com/articles/air-conditioner-how-to-add-freon

I've attached step-by-step pictures below on how to remove your condenser. Hope this helps and thanks for using 2CarPros.

Danny-
Sep 11, 2019 at 12:50 PM