☰
Login
Join
×
Home
Answered Questions
Repair Topics
Repair & Service Guides
Popular Questions
Warning Lights
Trouble Codes
How It Works
Testing / Diagnostics
Symptoms
Videos
Login
Become a Member
Home
Dodge
Ram
Climate Control
Air Conditioner
Condenser
Fan
condenser fan relay location needed
2007 DODGE RAM
88,000 MILES • 5.7L • V8 • 4WD • AUTOMATIC
[email protected]
MEMBER
1 POST
FOLLOW
Where is the condenser fan relay location?
May 4, 2021 at 12:38 PM
Advertisement
ASEMASTER6371
CERTIFIED EXPERT
52,796 POSTS
Good afternoon,
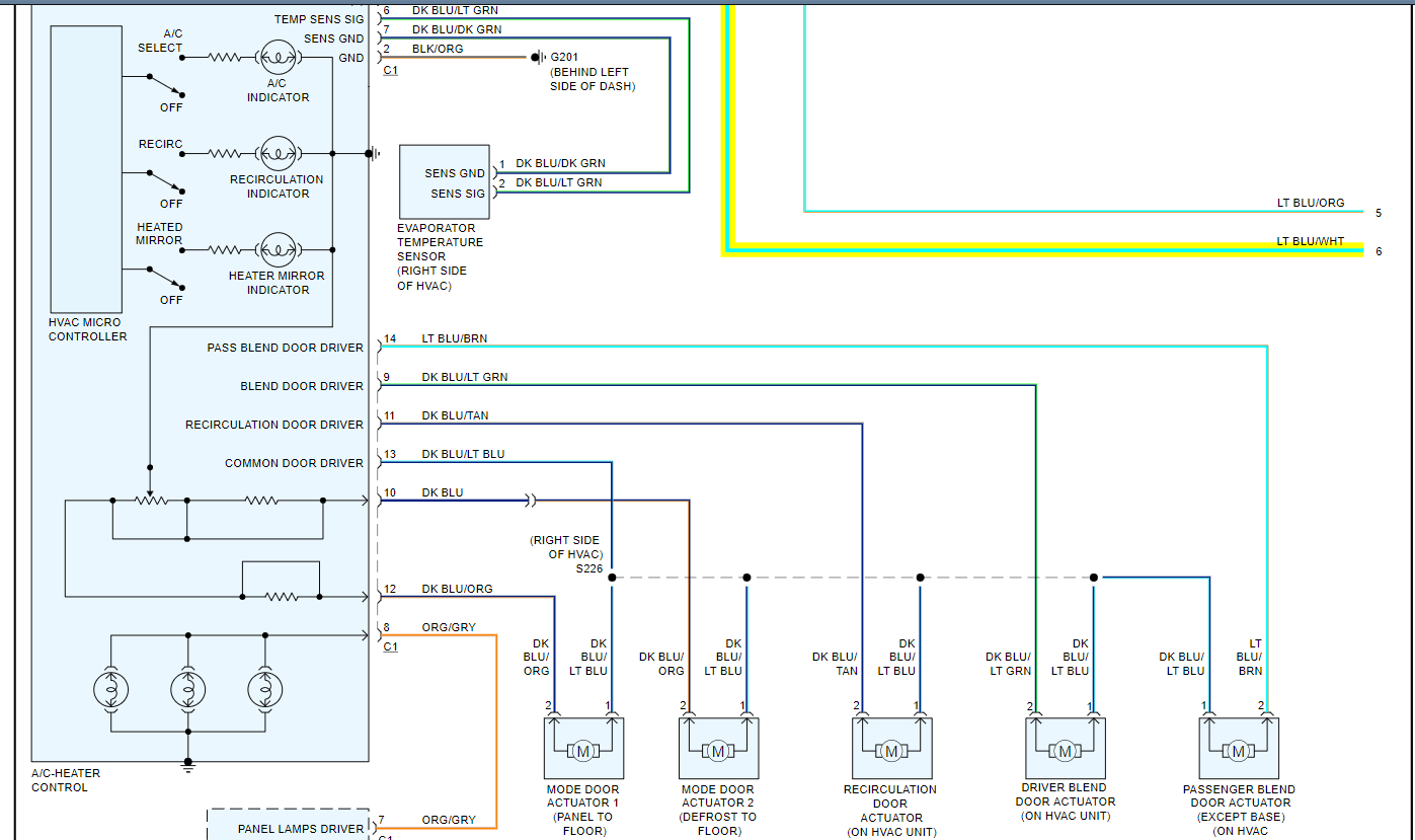
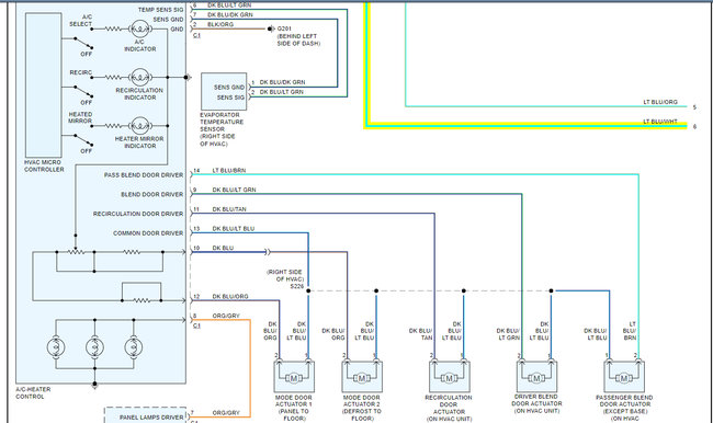
There is no relay for the fan motor. It is controlled by the integrated power module under the hood. The fan is activated by the module when it sees Freon pressure on the high side above 150 pounds.
https://www.2carpros.com/articles/how-to-check-wiring
https://www.2carpros.com/articles/how-to-use-a-voltmeter
The module is a common failure. I attached a wiring diagram for you. I also attached the part from Rock Auto.
Roy
Images (Click to enlarge)
May 4, 2021 at 5:40 PM
[email protected]
MEMBER
1 POST
Thank you for the Information you sent me. To get that module replaced would you know a ballpark figure how much it will cost?
May 5, 2021 at 9:33 AM
Advertisement
ASEMASTER6371
CERTIFIED EXPERT
52,796 POSTS
From the parts, I found new, $1,200.00 to $1,400.00.
Roy
May 6, 2021 at 3:17 PM