Concealed headlight doors will not open

1988 CHRYSLER NEW YORKER
196,000 MILES • 3.0L • V6 • 2WD • AUTOMATIC
Avatar
TIM BEASON
  • MEMBER
  • 26 POSTS
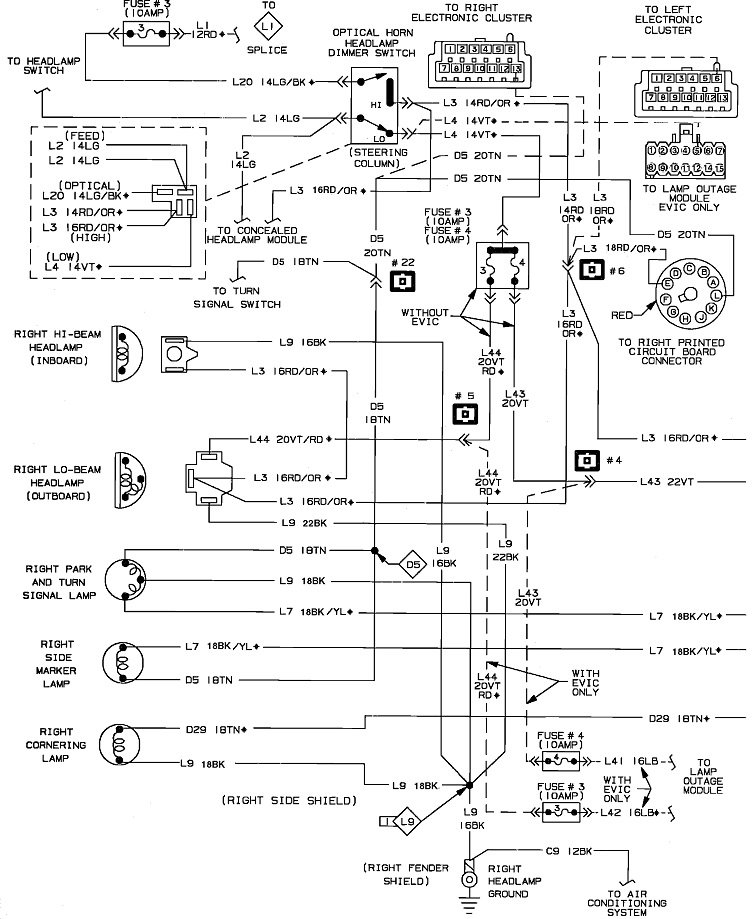
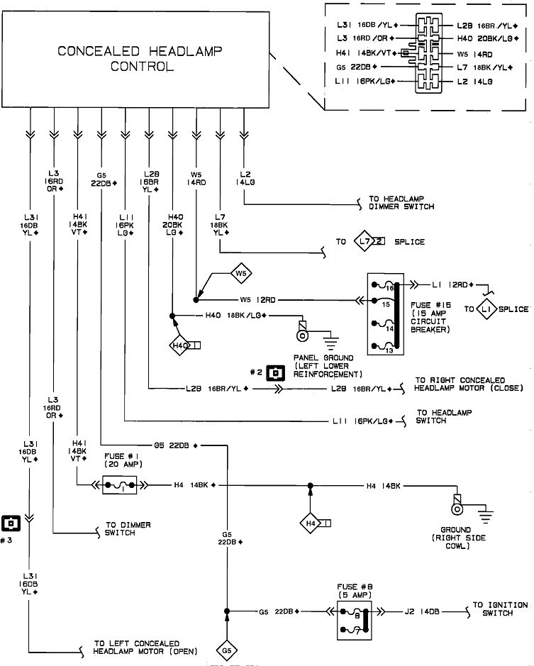
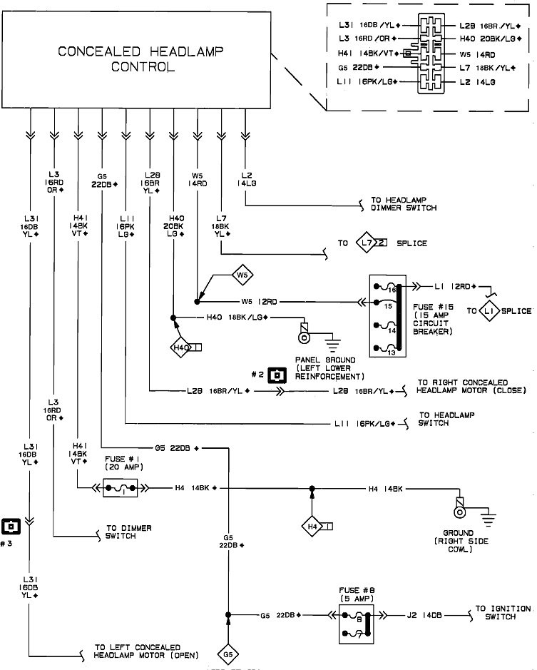
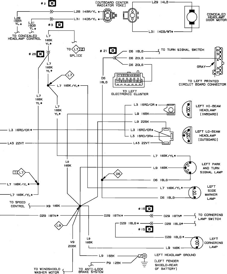
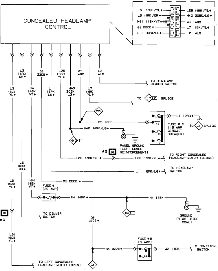
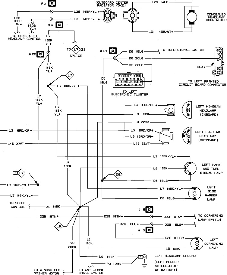
The car listed above is the Landau model. headlight doors won't open, but lights work fine. I ran a hot wire to the motor and it is working fine but from the switch they do nothing. Is there a separate relay of some sort for these?
May 26, 2020 at 7:56 PM
Advertisement
Avatar
CARADIODOC
  • CERTIFIED EXPERT
  • 34,306 POSTS
There's a control module under the dash. I worked on a similar problem on a Daytona. In that one, there were a lot of relays built into the module. Relays are noted for developing bad solder connections on their terminals. Those are real easy to repair if you can get to them. To check for this, feel the module to see if you can detect a light click when you turn the head lights on and off. If you can feel or hear that, check the voltages on the brown / yellow and the dark blue / yellow wires at the connector. You should find the same voltage on both wires, either 0 volts or 12 volts, when the doors are not moving. When you change the head light switch's position, one of those wires should change so there is 0 volts on one and 12 volts on the other. If you find the voltage never changes on one of those wires, or they both change at the same time and are at the same voltage, suspect a bad solder connection on one or both relays. If you find they switch to different voltages momentarily, but the head light doors don't move, the better suspect would be a broken wire between the module and the door motor. If it looks like that is the case, there's another test we can do to find that.
May 27, 2020 at 7:50 PM