Can I get the computer relearn procedure?

1997 BUICK RIVIERA
200,000 MILES • 3.8L • 6 CYL • 2WD • AUTOMATIC
Avatar
RIVIERARIDER
  • MEMBER
  • 2 POSTS
Please help me and give me the exact computer relearn procedure for my car listed above.
Nov 16, 2021 at 7:08 PM
Advertisement
Avatar
KASEKENNY
  • CERTIFIED EXPERT
  • 18,907 POSTS
Can you be a little more specific on which computer? I assume you mean the PCM? If this is the case, then there is not an actual relearn process for the PCM.

Basically, you can reprogram the module with the same software or updated software using a scan tool but there is not a relearn process for this.

Please see the info attached that has a little more detail on this.

However, if you can provide a little more detail as to what you are looking to do, then we can help figure that out. Thanks
Nov 17, 2021 at 6:51 PM
Avatar
RIVIERARIDER
  • MEMBER
  • 2 POSTS
I need to figure out how to do relearn on my ECM. So, my car was running great before I took my computer off, and tried another one on my car, it didn’t work so l put the original computer back on and now my car won’t crank, and I’ve tried disconnecting the battery and reconnecting it. I’ve done five relearns on it, still it won’t crank.
Nov 17, 2021 at 6:59 PM
Advertisement
Avatar
KASEKENNY
  • CERTIFIED EXPERT
  • 18,907 POSTS
Okay. I understand. This is not going to be a relearn issue. When you changed the ECM, did you disconnect the battery prior to changing it?

If not, you may have blown a fuse. So, we need to run through all the fuses and see if any are blown.

https://www.2carpros.com/articles/how-to-check-a-car-fuse

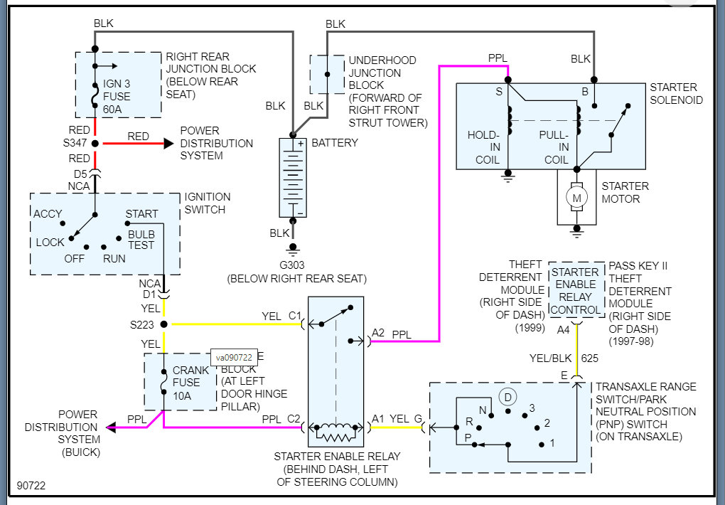
I suspect the Ign 3 or crank fuse is blown and that is going to prevent you from being able to crank the engine.

If these are all okay, we need to go to the starter and check the voltage on both wires when cranking the engine. I suspect we will have no voltage on the purple wire which means we need to start tracing the system looking for where we are losing it but we can get there once we know these fuses are okay.
Nov 18, 2021 at 9:51 AM