i have rebuilt motor and put it in my 1940 Ford i need to program motor to run with just throttle.
Feb 4, 2021 at 2:29 PM
Advertisement
ASEMASTER6371
CERTIFIED EXPERT
52,796 POSTS
Good evening,
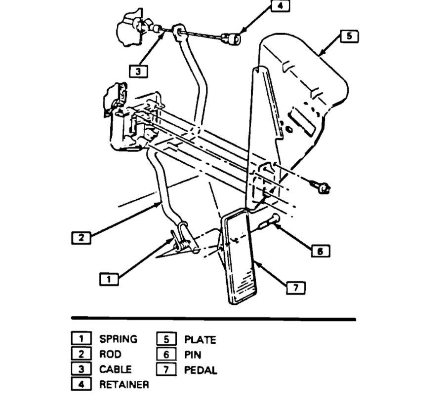
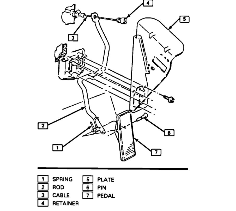
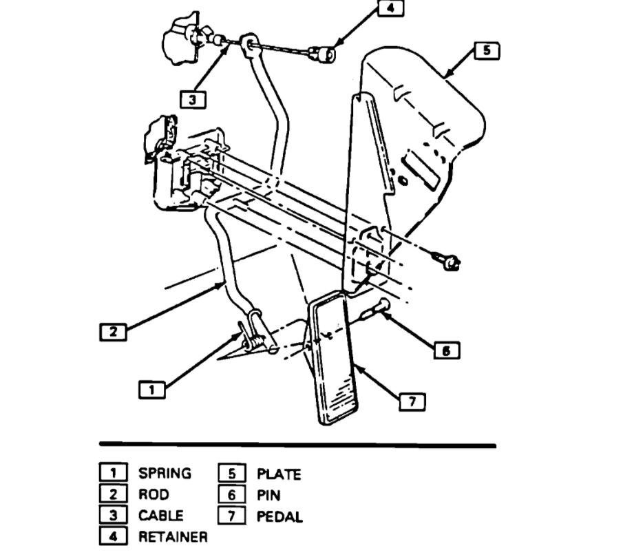
I attached a picture for you. 1994 had a throttle cable. All you need to do is install the cable and there is no programming needed. Check out the diagrams (below). Please let us know if you need anything else to get the problem fixed.