Good morning, the vehicle compressor is not functioning and the light on the A/C button is blinking. There is refrigerant in the system. What could be the cause of the light blinking?
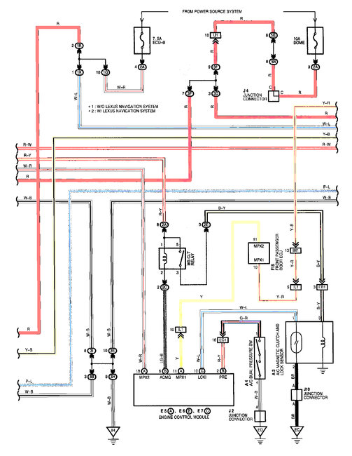
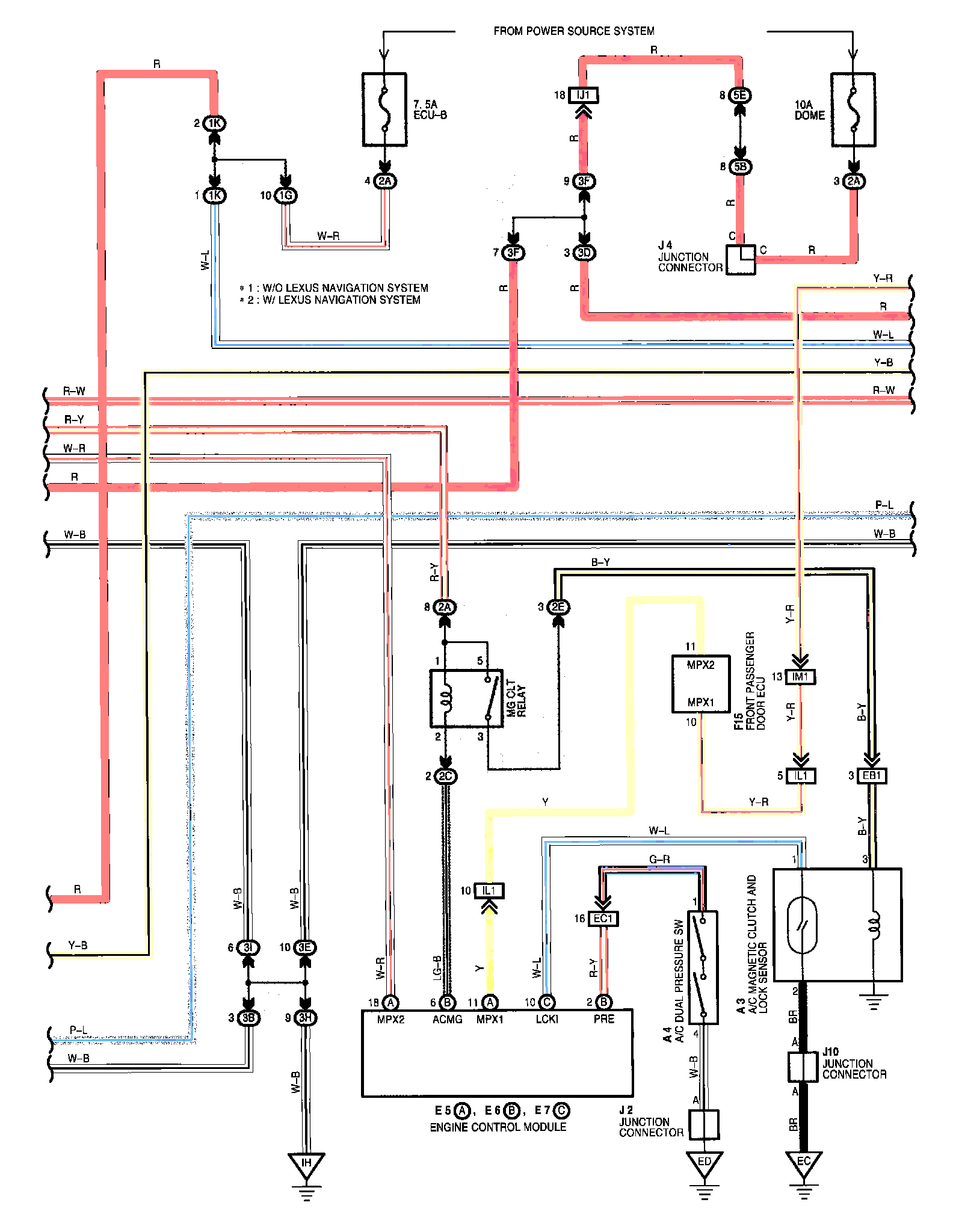
Could I have circuit diagram for this?
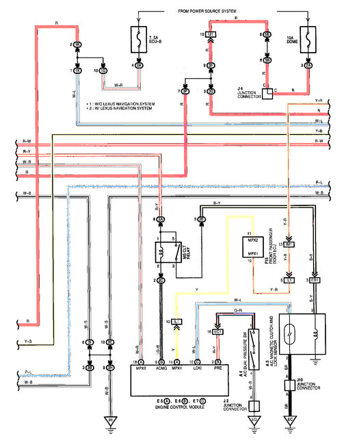
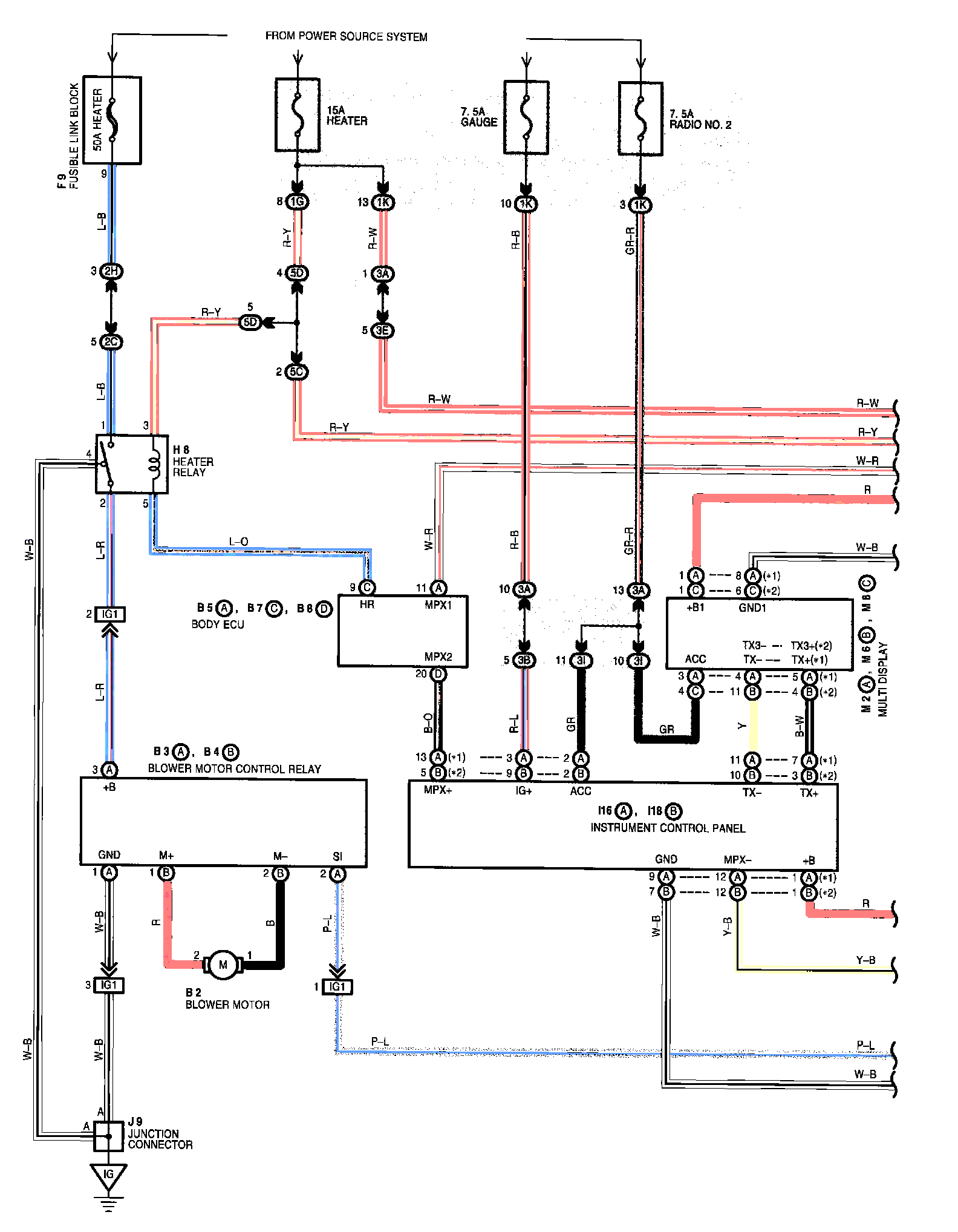
Could I have circuit diagram for this?
Oct 9, 2020 at 8:39 PM




