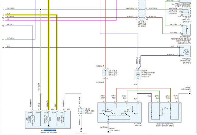
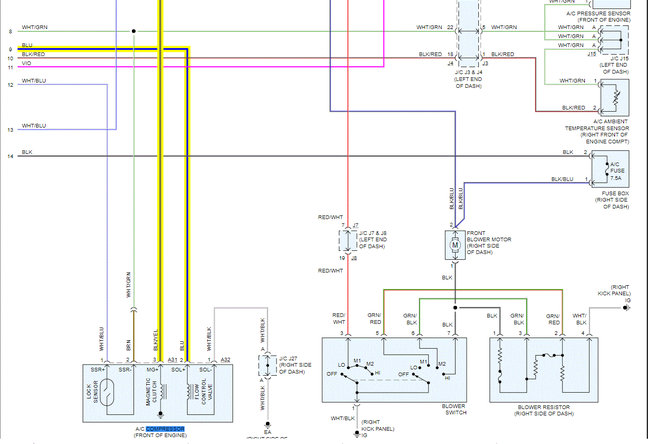
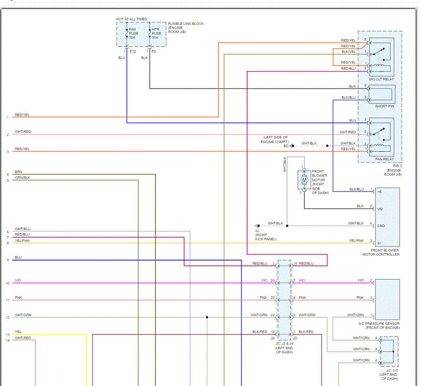
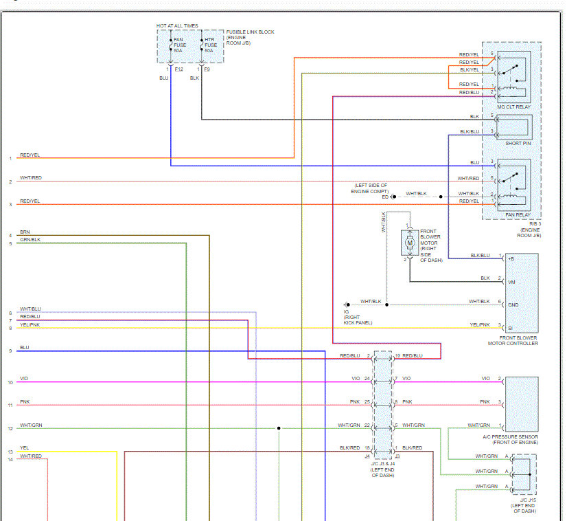
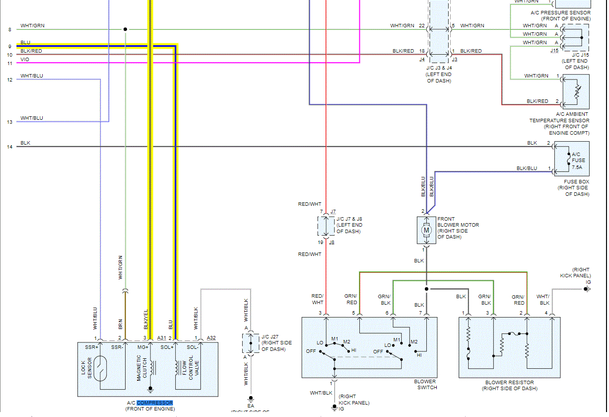
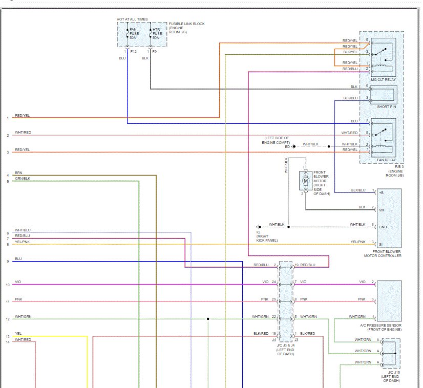
Good evening, the vehicle compressor is not functioning when the A/C switch is on. The blower fan is functioning, the system has enough pressure, when I connected power to the compressor directly from the battery, it function so the problem is not the compressor. Please Could you help me with the A/C circuit diagram?
Dec 21, 2020 at 11:33 AM







