Compressor not engaging

2012 MERCEDES BENZ GLK 350
208,543 MILES • 6 CYL • AUTOMATIC
Avatar
BLESSING EWOBOR
  • MEMBER
  • 754 POSTS
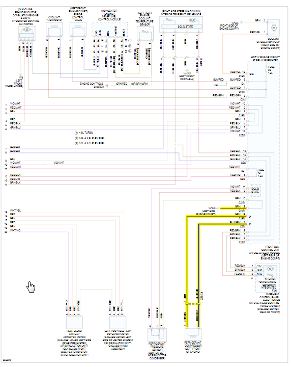
Hello, I am working on vehicle, the compressor is not engaging when the button is pressed. I have checked for fuse and relay they are in good condition. I connected the compressor directly to the battery, it work perfectly so the problem is not the compressor. I don't know if I could have the circuit diagram on the air-conditioning system.
Sep 23, 2020 at 12:52 PM
Advertisement
Avatar
KASEKENNY
  • CERTIFIED EXPERT
  • 18,907 POSTS
I am not a big fan of Mercedes Benz's manuals but this one is not too bad. The way this system works is the front SAM control unit sends power to the compressor when it gets the input from the button and the pressure sensor says it is okay to turn the compressor on.

Unfortunately this is a 3 wire sensor and cannot just be jumped to find out if the compressor comes on. The way to find out if the sensor is functioning is to monitor the SAM and see what it reads as the pressure. Then match that to the actual pressure on the A/C gauge set.

If this checks out then I would think the SAM is the issue.
Sep 23, 2020 at 3:11 PM
Avatar
BLESSING EWOBOR
  • MEMBER
  • 754 POSTS
Thank you.
Sep 28, 2020 at 7:12 PM
Advertisement