A/C compressor not working

2007 LINCOLN MKZ
227,000 MILES
Avatar
JOANNH57
  • MEMBER
  • 1 POST
Put another compressor on and it’s not running. Can’t find my owners manual to see which fuse or relay switch it may be.
Aug 17, 2020 at 6:14 AM
Advertisement
Avatar
ASEMASTER6371
  • CERTIFIED EXPERT
  • 52,796 POSTS
Good morning,

First, can you give me the high and low side readings of the Freon pressure.

https://www.2carpros.com/articles/car-air-conditioner-not-working-or-is-weak

Did it work prior to this repair?

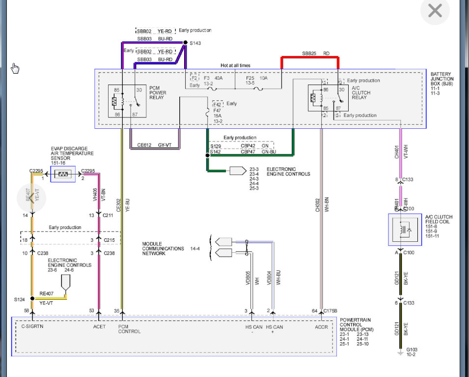
I attached a wiring diagram of the compressor circuit. Do you have a voltmeter or test light for some checks?

https://www.2carpros.com/articles/how-to-check-wiring

https://www.2carpros.com/articles/how-to-check-an-electrical-relay-and-wiring-control-circuit

https://www.2carpros.com/articles/how-to-check-a-car-fuse

The diagram for the fuse block shows the clutch relay and the fuses. The fuse numbers are marked on the diagram and I circled them.



Roy
Aug 17, 2020 at 6:29 AM
Avatar
KASEKENNY
  • CERTIFIED EXPERT
  • 18,907 POSTS
We need to start with checking pressure in the system and checking voltage at the compressor. Clearly if you just replaced the compressor, we can assume the pressures are correct but we don't want to assume.

Next we need to check power at the compressor to see if it is correct. I attached a wiring diagram that shows the circuit. As you can see we need to go to the battery junction box and look at fuse F3 and F25 if you have no power. Then we need to remove the AC clutch relay and jump 86 to 87 and see if the compressor kicks on. If it does, swap the relay with another. If that doesn't fix it we need to look at the control side as it is most likely not being "told" to come on by the PCM. Either due to the PCM being faulty or an input sensor causing it to not command it on.

https://www.2carpros.com/articles/car-air-conditioner-not-working-or-is-weak

Let me know what you find with this and we can go from there. Thanks
Aug 17, 2020 at 6:42 AM
Advertisement