Headlights stopped working

2008 VOLKSWAGEN GTI
189,000 MILES • 2.0L • 4 CYL • 2WD • MANUAL
Avatar
TROY DORR
  • MEMBER
  • 1 POST
Like a lot of other people, my issue started with flickering headlights. It keep getting worse over time. So I replaced both ballast, and bulbs. Then they still continued to flicker. For about a month I chased and chased this problem. I've gone to endless amounts of websites to find answers. So couple weeks ago, I decided to completely change both headlight assemblies. The ones I bought were compatible halogen headlights. They're much, much cheaper than HID's. Then I try to see if they work after I installed them. And now, I got nothing! No headlights at all, no flickering, just nothing. And now I don't have any front blinkers either. Can someone please help?
May 26, 2021 at 12:27 AM
Advertisement
Avatar
STRAILER
  • CERTIFIED EXPERT
  • 53,854 POSTS
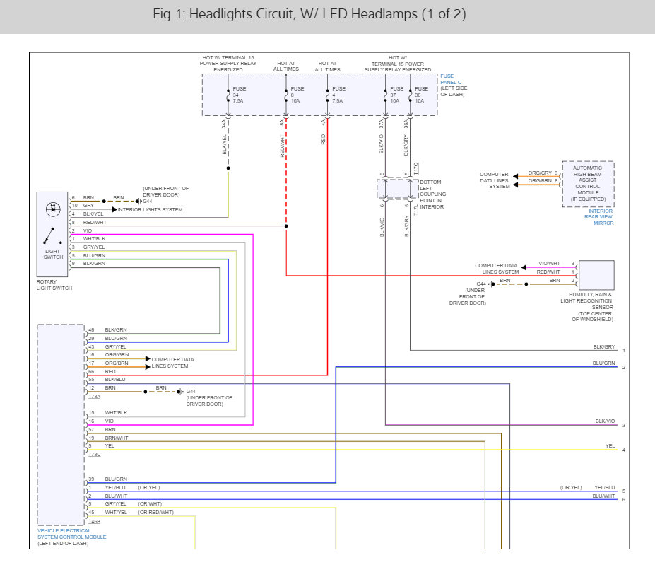
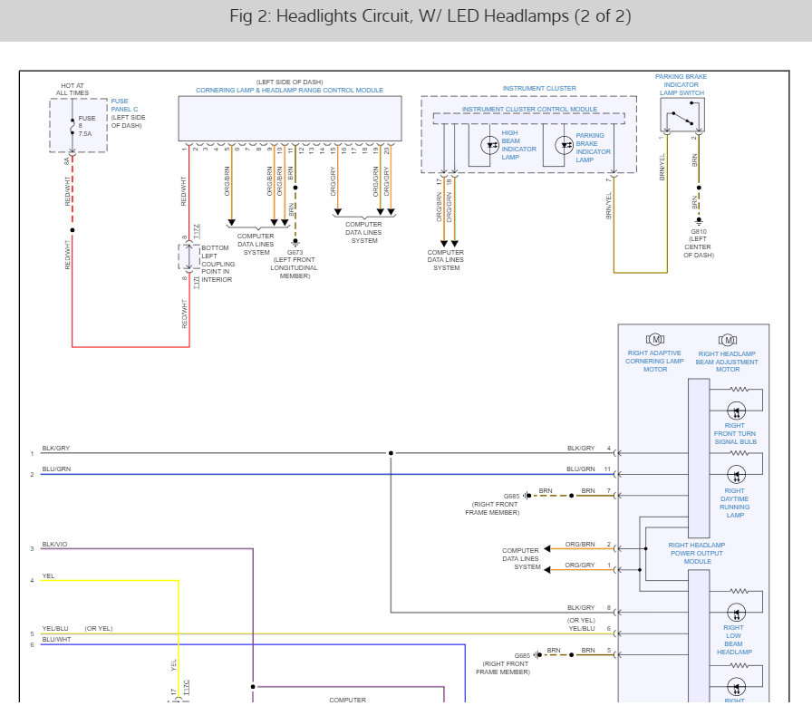
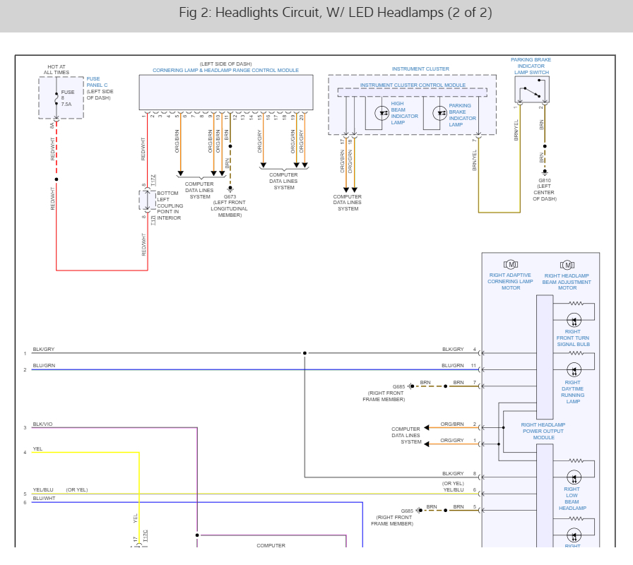
Do you have power and ground? this guide can help as check also we should check the fuses. here is a guide to help with that as well. also I have included the headlight fuse location ( 34, 8, 4 37 and 36) so you can check them with the headlight wiring diagrams so you can see how the system works.

https://www.2carpros.com/articles/how-to-use-a-test-light-circuit-tester

and

https://www.2carpros.com/articles/how-to-check-a-car-fuse

Check out the diagrams (below). Let us know what happens and please upload pictures or videos of the problem.
May 28, 2021 at 9:59 AM