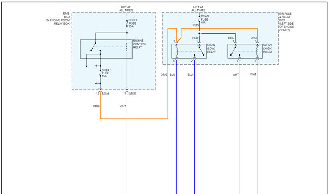
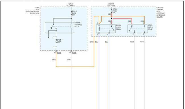
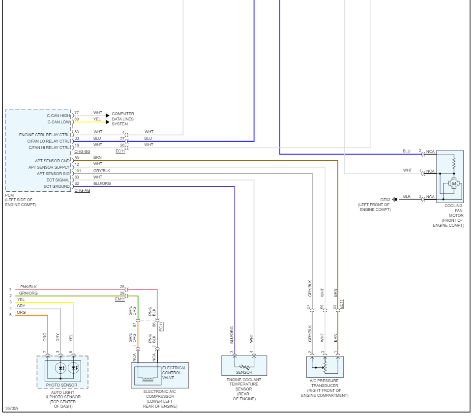
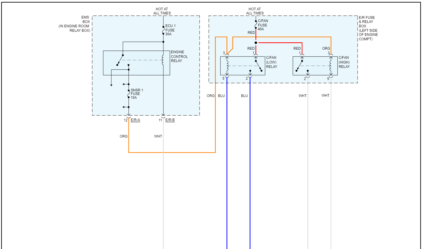
I got into an accident and smashed up the front right of the car. I replaced the hood fenders bumper color support grille. I also replaced the condenser and the radiator and fan. When the car reaches temperature, it does not engage the fan. I did some testing with fuses, and they were all good.
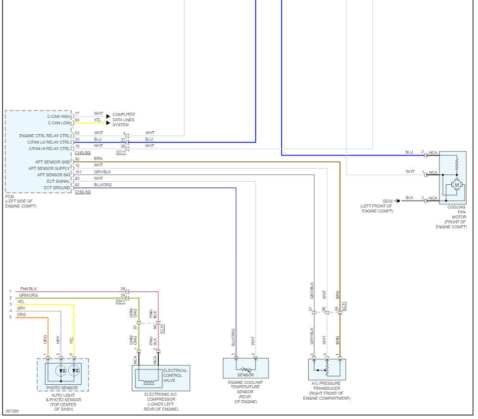
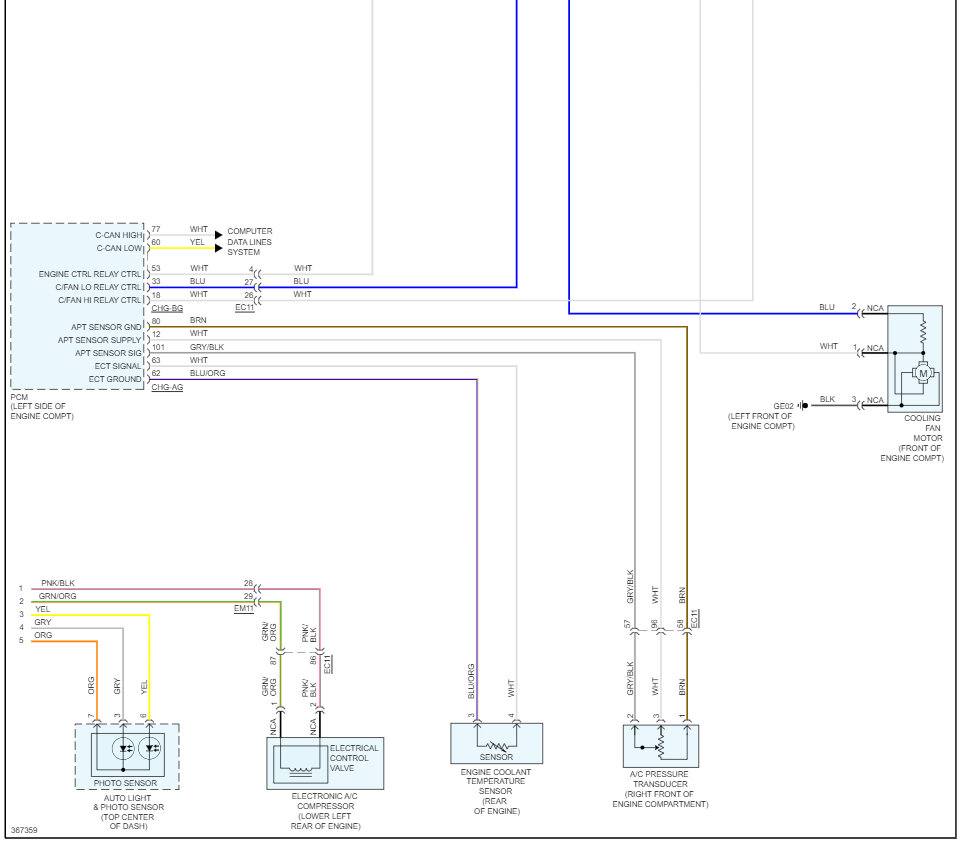
I also used a power tester to the wires and the fan plug in and it showed no power. But when unplugging the temperature sensor, the fan kicks on automatically after the key gets turned on. With all that happening the A/C is also not working.
I also used a power tester to the wires and the fan plug in and it showed no power. But when unplugging the temperature sensor, the fan kicks on automatically after the key gets turned on. With all that happening the A/C is also not working.
Jun 27, 2023 at 11:16 PM



